Подключение проходных выключателей через распредкоробку: пошаговая инструкция
Шаг 1: необходимо вывести в распределительную коробку главный питающий кабель, который будет идти от электрощитка, а также проводники двух коммутаторов и проводник светильника. Питающий кабель имеет два проводника: голубой – ноль, коричневый – фаза. Выключатели здесь трехконтактные: один общий (провод с белой изоляцией) и два раздельных.
Необходимо снять изоляцию с кабеля и защитить концы проводников для дальнейшей скрутки
Шаг 2: далее следует приступить к соединению проводки. Для начала необходимо нулевой проводник от питающего кабеля соединить с нулевым проводником светильника. Затем следует подключить фазу от электрощита к общему контакту проходного коммутатора.
Соединение должно выглядеть таким образом
Шаг 3: теперь необходимо соединить дополнительные контакты между собой. Красный проводник следует скручивать с красным проводником, а зеленый с зеленым. Оставшийся общий контакт от второго коммутатора необходимо подсоединить к фазному проводу светильника.
В итоге получится такое соединение контактов
Независимо от положения клавиш на двух коммутаторах, цепочка питания будет замыкаться или размыкаться. Поэтому включить светильник получится с каждой точки, как собственно и выключить.
Подключение проходного выключателя на 2 точки
Ввиду необходимости применения большего количества проводов сложность подключения увеличивается. Схема подключения выглядит следующим образом. В распаячную коробку заводятся от источника питания фаза и ноль.

Ноль провод направляют напрямую к источнику света, а фазу на переключатель. Внутри переключателя происходит разделение на 2 линии, которые направляются далее в распаячную коробку и далее идут на второй выключатель. И по прошествии него провод заводится на лампу.

Возможно сэкономить на количестве провода, соединив «управляющие» линии напрямую, но компетентный электрик так не сделает по следующим причинам:
- подключение с использованием распаячной коробки правильнее в связи с предъявляемыми нормами для электроцепей;
- простота ремонта. Возможно произвести прозвон проводов на участках, для выявления неисправности;
- упростит установку подключения дополнительного переключателя.
Управление несколькими группами осветительных приборов из двух мест
Управление несколькими группами осветительных приборов из двух мест
Существует вариант, позволяющий управлять из двух мест разными группами осветительных приборов. К примеру, нам нужно организовать возможность управления освещением в помещении непосредственно из самой комнаты и из примыкающего коридора. В наличии люстра на 5 лампочек. Мы можем установить систему проходных переключателей для включения и выключения двух групп лампочек в нашей люстре.
Двойной выключательДвойной выключатель
На схеме показан вариант разделения лампочек на 2 группы. В одной их 3, во второй – 2. Количество осветительных приборов в группах может меняться на усмотрение владельца.
Для обустройства такой системы также используем 2 проходных переключателя, но они должны быть двойного типа, а не одинарного, как в предыдущем варианте.
Как подключить 2 клавишный проходной выключатель
Конструкция двойного переключателя имеет 2 контакта в месте входа и 4 на выходе. В остальном порядок подсоединения остается аналогичным предыдущему способу, меняется лишь количество кабелей и контролируемых осветительных приборов.
Как производить монтаж в распределительной коробке

Для того чтоб двойной проходной выключатель или осветительные устройства выполняли свою функцию на протяжении многих лет, к процессу коммутации необходимо подходить основательно.
Зачастую из-за халатности или отсутствия большого опыта в выполнении электромонтажных работ, в распределительных коробках можно встретить скрутки. Однако это грубое нарушение, поскольку со временем в данных скрутках может пропасть контакт, в следствии чего провода начнут греться перегорят и возникнет пожар. Также категорически запрещается соединять медные и алюминиевые провода без какой-либо прослойки.
Для надежного соединения кабельно-проводниковой продукции в распределительных коробках рекомендуется 3 способа:
- Пайка контактов.
- Сварка проводников при помощи специальных трансформаторов.
- Соединение проводников с помощью специальных зажимов (WAGO).
Разновидности приборов коммутации
Коммутаторы отличаются между собой по нескольким принципам. Для того, чтобы выбрать походящий вариант, необходимо ознакомиться с ними подробнее – мы представим нужную информацию в виде таблицы.
Таблица №1. Разновидности переключателей.
| Вид | Описание |
|---|---|
| Кнопочные | Как правило, такое устройство подходит для управления звонком, поэтому устанавливается около входа. Тем не менее, не используется для управления светильниками. |
| Клавишные | Это стандартный вариант, который используют для размыкания и замыкания цепей в бытовых электросетях. |
| Поворотные | Такие коммутаторы тоже иногда устанавливаются в жилых помещениях, но чаще всего их можно встретить на производстве. Ведь они имеют не такой эстетичный вид, как предыдущие варианты. |
Как мы уже уж говорили, бывают одноклавишные устройства, а также двухклавишные, трехклавишные. Они в свою очередь подразделяются на стандартные, устройства комбинированного типа и на промежуточные.
В первом случае речь идет о трехконтактных коммутаторах, у вторых число зажимов отличается по количеству клавиш. Третий вариант предназначается для сложных схем, где требуется организовать больше двух точек включения.
В частных домах или квартирах в многоэтажных постройках часто устанавливают приборы с клавишами
Иногда монтируют устройства на сенсорном управлении или от пульта. Третий вариант за последние годы получил популярность.
По способу укладывания электропроводки, коммутаторы делятся на следующие виды:
- наружные (накладные выключатели);
- встроенные (скрытые).
При первом случае понадобится прикрепить устройство непосредственно к перекрытию на шурупы. Второй вариант предполагает способ крепления с помощью специальных ушек, которые находятся по краям.
Видео – Проходной выключатель или импульсное реле?
Если требуется выбрать оптимальный вариант переключателя при наличии схемы проходного устройства, то следует правильно определить количество клавиш (каждая группа приборов должна иметь по одной клавише). Если вы собираетесь организовать только две точки для управления светильником, то приобретайте стандартный переключатель с тремя контактами. Если требуется большее количество точек, то придется приобретать дополнительные устройства с целью подсоединения к общей цепочке.
Чаще всего приборы с клавишей имеют только два положения – включить и выключить. Тем не менее, в продаже имеется оборудование с дополнительным центральным положением (нулевым), которое предназначается для размыкания этих двух контуров.
Обозначения на корпусе устройства
На корпусе прибора коммутации, там, где находятся контакты, как правило, располагается маркировка с характеристиками устройства. Здесь указывается напряжение, номинальный ток и степень защиты изделия.
Выключатели
Для стандартных лампочек необходимо выбирать приспособление с маркировкой – «А». Если планируется установить газосветные лампы, то следует выбирать коммутатор с маркировкой – «АХ».
Когда включается свет в газосветных осветительных приборах, случается резкое колебание пусковых токов. При установке стандартных лампочек и светодиодных, колебание будет не настолько выраженным. Получается, что коммутатор должен рассчитываться на такую нагрузку, иначе не исключается вероятность оплавления контактов в клеммах. Поэтому в случае с газосветными лампами требуется соответствующее устройство.
Клеммы для фиксации электропроводки тоже отличаются между собой:
- на винтах с прижимной пластинкой;
- без винтов с пружиной.
Первый вариант фиксации считается долговечным, а второй отличается простотой установки, поэтому коммутаторы с винтами и прижимной пластинкой пользуются популярностью — при фиксации они не нарушают целостность жилы проводника.
Если провод имеет диаметр полтора миллиметра, то для его подключения не используют выключатель с винтами
Кроме того, на корпусе устройства находятся обозначения зажимов:
- «N» — для нейтрального провода;
- «L» — для фазного провода;
- «земля» — для проводника заземления.
Кроме того, на приборе присутствуют и другие маркировки – это может быть значение размыкания и замыкания цепи, логотип производителя.
Где размещают устройство?
Как правило, проходные коммутаторы монтируют в различных зонах, чтобы их было удобно использовать. При этом не обязательно пользоваться двумя выключателями. Так, один из них может стать основным, а другой вспомогательным.
Если электропроводка располагалась в гофрированной трубке, то при установке проходного устройства, получится выполнить замену без штробления перекрытий.
Электропроводка в гофрированной трубке
Чаще всего стандартные проходные выключатели с одной или двумя клавишами размещают в таких точках:
- По обеим сторонам узкого коридора. Если в центре располагается дверца, то возле нее тоже получится установить устройство.
- В просторных спальных. Так, один выключатель можно по стандарту установить на расстоянии 30-40 сантиметров от дверного косяка, а другой над кроватью.
- На лестничной площадке.
- Вдоль тропинки во дворе частного дома. Ведь будет удобно вечером выйти на прогулку, а при необходимости включать и выключать свет по пути.
- В залах большой площади, где имеется несколько входов по сторонам.
Использование проходного коммутатора целесообразно не только для экономии электричества, но также необходимо для безопасности передвижения. Получается, что единственным недостатком является сложность установки для некоторых мастеров.
Как работает проходной выключатель
В больших помещениях целесообразно устанавливать проходной выключатель с управлением из двух мест
В проходном выключателе есть одна клавиша, на которой нарисованы две стрелочки. Схема переключателя света с двух мест несколько сложнее в сравнении с классической, так как в последней предусмотрено использование всего лишь двух контактов, в то время как в проходной их уже три, два из которых считаются общими. Схема включения света предусматривает использование таких устройств в количестве от двух штук.
Когда клавиша нажимается, вход подключается к одному из выходов – к первому или второму. Это два основных рабочих состояния такого оборудования. Каких-либо промежуточных положений не предусматривается, благодаря чему схема постоянно работает исправно.
Чтобы не ошибиться в том, какой именно выключатель используется в конкретном помещении, следует подробнее изучить схему проходного выключателя с двух мест на 1 лампочку или на несколько светильников, которая в большинстве случаев располагается на корпусе устанавливаемого прибора. Она размещается в основном на изделиях от известных производителей. При использовании недорогих моделей остается единственное решение – «вызванивать» концы с помощью специального оборудования.
Для прозванивания нужно воспользоваться стрелочным или цифровым оборудованием. Последний переводится в нужный режим специальным переключателем и определяет наличие короткозамкнутых участков в проверяемой проводке или каких-нибудь радиодеталях. Если замкнуть концы щупов, устройство издаст характерный звуковой сигнал, что является достаточно удобным принципом работы, так как исключает необходимость в постоянном отслеживании показаний на дисплее. Если же есть только стрелочный прибор, при попытке замкнуть щупы у него должна будет отклониться стрелка до упора в правую сторону.
При проведении этой процедуры нужно отыскать общий провод. Опытным специалистам это не составит труда. Если навыков нет, рекомендуется посмотреть в интернете видео, в котором будет подробное описание схемы подключения проходных выключателей из 2-х мест.
Схемы подключения различных проходных выключателей с 2-х мест
В большинстве случаев в каждом доме или квартире изначально смонтированы стандартные одно- двух- или трёхклавишные выключатели, которые контролируют освещение только из одного определенного места. Но это крайне неудобно, поскольку сколько раз Вам приходилось вставать с кровати чтоб включить освещение в комнате?

При современном электромонтаже более часто стали применяться проходные переключатели, которые способны выключать или включать, например, освещение в комнате при входе в комнату и одновременно возле кровати или, например, с двух сторон коридора. Как это выполнить? Очень просто! Для этого будет достаточно просто ознакомится с данной статьей.
Рекомендации
При монтаже выключателей необходимо обязательно убедиться в отсутствии электротока при помощи индикатора.
Наиболее удобной высотой для удобства эксплуатации считается 900 мм от пола. От дверного проема выключатель лучше размещать на расстоянии 200 мм.
В случае установки устройства на улице, следует приобретать выключатели с классом защиты не менее IP44.
Перед монтажом сначала нужно при помощи индикатора определить фазовый провод и провести его маркировку. Это облегчит дальнейшее подключение проходного выключателя.
В распредкоробке соединение проводов лучше выполнять не при помощи скрутки, а посредством соединительных колодок, клеммников и зажимов.
Назначение
Такая тенденция при увеличении количества подключенных проводов при монтаже проходного трехклавишного выключателя с управлением из трех мест, приведет к проблеме с большим количеством проводов. Схема параллельного подключения ламп Устанавливайте светодиодные экономичные лампы, это существенно снизит затраты на электроэнергию, потребуются кабеля меньшего сечения, что сэкономит финансовые затраты.


Как работает 2х клавишный ПВ

На нижней части иллюстрации цепь замкнута, и свет включен. Разновидности перекрестных и проходных переключателей Давайте знакомиться поближе с предметом нашего интереса. Это позволит избежать ошибок при монтаже. Пример установки проходных выключателей в спальне Перед Вами вопиющий пример непредусмотрительности: в спальне нет проходных выключателей!
Это следует приять к сведению, прежде чем подключить двухклавишный коммутатор. Схема подключения одинарного проходного выключателя значительно проще и может помочь организовать управление электроосвещением из двух точек. Иногда стремятся к экономии, покупают провода тонкого сечения, не учитывают максимально допустимую длину кабеля. Внешний слой изоляции с провода снимается почти полностью до вводного отверстия, оставляют см. Материалы Подключение двухклавишного проходного выключателя Без проходных выключателей совершенно не обойтись в современном интерьере.
Установить декоративные панели устройств. Вот схема, поясняющая принцип работы такого устройства: Схема с перекрестным выключателем У него уже 8 контактов.
Двухклавишные проходные выключатели из 2-х мест. Схема подключения
Для чего применяется перекрёстный выключатель
Если нужно обеспечить управление освещением из трёх точек, 2-х проходных выключателей будет недостаточно. В разрыв двухжильного провода, соединяющего проходные выключатели, следует вставить перекрёстный выключатель, как это показано на схеме.

Схема подключения 2-х проходных и перекрёстного выключателей для управления освещением из 3-х точек
Контакты всех переключателей на схеме замкнуты так, что ток протекает по проводам, показанным красным цветом. Если нажать клавишу на любом из 3-х переключателей, то цепь разомкнётся. Достаточно нажать клавишу на любом другом переключателе, и цепь замкнётся. Ток будет протекать по проводам, показанным голубым цветом.
Если требуется управлять освещением из 4-х точек, нужно воспользоваться следующей схемой:

Для управления из 4-х точек понадобятся 2 проходных и 2 перекрёстных выключателя
Управлять освещением можно с помощью выключателей хлопковых или с датчиками движения. Но у них имеются недостатки:
- высокая стоимость;
- выключатели этих типов быстро выходят из строя;
- хлопковые выключатели могут сработать на посторонние звуки и не сработать на хлопок;
- выключатели с датчиками движения могут реагировать на движение животных, птиц.
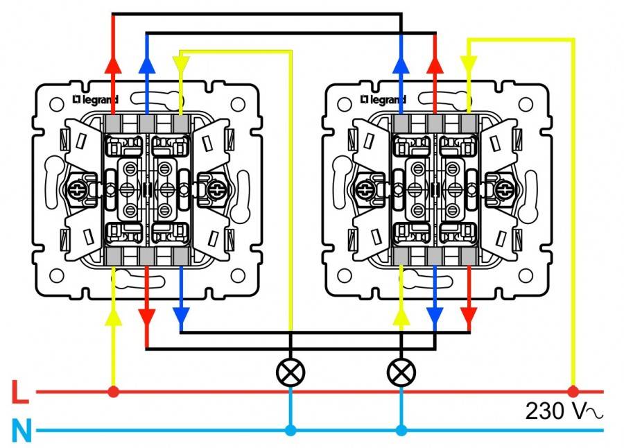
Двухклавишный проходной выключатель: схема подключения
Для того, чтобы из нескольких точек можно было управлять работой двух ламп существуют двухклавишные проходные выключатели. Они располагают шестью контактами. Главное – это определить общие контакты. Они определяются по такому же принципу, как и при поиске общего контакта в одноклавишных проходных выключателях.
В схеме, где используется два двухклавишных проходных выключателя, применяется значительно больше проводов.
Фазный провод подается на входы обоих выключателей, а другие входы выключателей подключаются к одному из концов одной и другой лампы. Свободные концы лампы подключаются к нулевому проводнику. Два выхода одного выключателя соединяются с двумя выходами второго выключателя, а два других выхода этого выключателя подсоединяются к двум другим выходам первого выключателя.
Вариант разводки проводов для подключения двухклавишных проходных выключателей.
Если есть желание управлять работой двух ламп из трех или четырех точек, то придется приобрести по два перекрестных переключателя. Каждая пара выходов двухклавишного выключателя подсоединяется к одной паре одного перекрестного переключателя. И так дальше, пара за парой выходы устройств соединяются между собой.
Управление работой двух ламп освещения из четырех точек.
Если разобраться, то сложного ничего нет, особенно при применении одноклавишных проходных выключателей. Что касается двухклавишных проходных выключателей, то здесь все намного серьезнее и затратнее, как по проводам, так и по выключателям. А если быть более точным, то эта схема менее практичная, но более дорогостоящая.
Схема подключения проходного выключателя | переключателя.
Watch this video on YouTube
Схема управления освещением с двух мест
При подключении двойных проходных выключателей удается управлять двумя лампочками поочередно из двух мест. Такая схема содержит пару двухклавишных выключателей, что позволяет включать одну из ламп при входе, выключая одновременно другую. При выходе из длинного коридора, например, второй прибор позволяет производить обратную операцию. Таким образом, управление освещением осуществляется поочередно из 2-х мест.

Реализовать такой алгоритм управления удается только при наличии двойного проходного выключателя. Организованные таким образом системы заметно упрощают управление освещением в описанных выше условиях.
Порядок монтажа
Перед подключением проходных двухклавишных выключателей и осветителей сначала подбираются места для их установки (первые должны находиться у самого выхода-входа в помещение). После этого переходят к основным работам, производимым в следующей последовательности:
- Прежде всего, в выбранных точках специальной коронкой в стенах высверливаются установочные ниши, диаметр которых выбирается 72 или 80 мм (в зависимости от корпуса приборов).
- Затем в них фиксируются специальные пластиковые коробки (их называют «подрозетниками»).
- При наружной прокладке проводки корпуса коммутационных изделий крепятся на стене посредством саморезов.
- По завершении установки двухклавишных проходных выключателей переходят к монтажу двух групп осветителей, в каждой из которых лампы включаются параллельно (это исключит вероятность полного обесточивания цепи при перегорании одной из них).
- Затем от установленных люстр или плафонов до распределительной коробки прокладывают два фазных провода и один – нулевой.
Поскольку требованиями ПУЭ предписывается заземлять любую соединительную проводку с нагрузками – от светильников прокладывается кабель с тремя жилами.
Так как в конструкции двухклавишного проходного выключателя предусмотрено 6 контактных клемм – от него до РК потребуется проложить два 3-х жильных кабеля. При расключении элементов системы провода к РК должны подводиться согласно приведенной ниже схеме.
Предлагаем посмотреть видео – как подключить двухклавишные проходные выключатели без распределительной коробки.
Схема подключения проходного светильника с управлением из 3-х мест.
Иногда возникает необходимость для обеспечения не двух пунктов управления светильниками, а трех и более. Например, на лестнице многоэтажного дома свет должен на каждом этаже включаться и выключаться. С длинным коридором, в который выходят двери нескольких комнат – ситуация такая же.

Для реализации данной схемы, кроме простых проходных выключателей, понадобятся также еще и перекрестные выключатели. Такие выключатели имеют уже не три контакта, а четыре – два входных и два выходных, которые представляют собой две пары одновременно переключаемых контактов. К таким выключателям требуется соответственно подводить четырехжильный провод.
Недостатки проходных выключателей
Необходимо отметить, что эти устройства в силу своей специфики имеют небольшие недостатки:
- Невозможно определить, выключено или включено устройство, по расположению его клавиш.
- Нельзя одновременно из разных мест включать или выключать лампу.
Эти незначительные минусы никак не сказываются на работе устройства и вряд ли могут повлиять на решение про их установку или самостоятельное изготовление, но надо быть готовым, что в первое время после установки переключателя может возникать некоторая путаница.
Наглядно процесс переделывания обычного выключателя в проходной на видео:
Если нет желания разбирать выключатель, то в следующем видео рассмотрен способ подключения напрямую. Он не так эффективен как первый, но как вариант в случае крайней необходимости может пригодиться:
Монтаж проходных и перекрёстных переключателей
Оптимальный вариант разработки электрической схемы и её монтажа — на этапе строительства дома или при проведении его капитального ремонта. Нужно учесть все помещения, в которых может понадобиться независимое включение и отключение освещения из 3-х удалённых точек. Это длинные коридоры, подвальные помещения с несколькими входами и выходами, лестничные марши. Следует учесть и дворовые постройки, уличное освещение.
Тем, кто собирается монтировать освещение самостоятельно, но не имеет навыков, специалисты советуют сначала собрать временную схему освещения, соединив 2 проходных выключателя короткими проводами и подключить лампочку. Следует запомнить, к каким контактам были подсоединены провода. Убедившись, что цепь собрана правильно, выключатели нужно отсоединить.
Последовательность действий
Монтаж освещения выполняется в следующем порядке:
- Уложить и закрепить двухжильный провод для соединения проходных выключателей.
- В месте установки перекрёстного выключателя оставить небольшую петлю, но провод не перерезать.
- Установить переключатели на своё постоянное место.
-
Подключить к проходным выключателям концы двухжильного, нулевого или фазного проводов.
- Убедиться, что освещением можно независимо управлять из 2-х точек.
- Отключить цепь от питающей сети.
-
В месте установки перекрёстного выключателя двухжильный кабель перерезать и в разрыв установить перекрёстный выключатель.
- Подключить цепь к питающей сети.
- Убедиться, что освещением можно независимо управлять из 3-х точек.
Для внутренних работ подойдёт любой двухжильный изолированный провод, сечение которого соответствует предполагаемой нагрузке. Для уличного освещения применяется провод в двойной изоляции.
Практика показала, что управление освещением в длинных коридорах, на лестничных маршах, в подвальных помещениях дешевле и практичнее сделать с применением проходных и перекрёстных выключателей.
Разновидности переключателей
По своей конструкции перекрёстные выключатели делятся на 2 вида: клавишные и поворотные.
Клавишные
Переключатели такого типа применяются наиболее часто.
Клавишные выключатели, правильнее называть их переключателями, разрывают одну цепь и замыкают другую. Обычные выключатели только размыкают или замыкают одну цепь. Внешне они практически не различаются. Отличить их можно только с тыльной стороны по количеству контактов:
- у обычного одноклавишного 2 контакта;
- у проходного -3;
- у перекрёстного — 4.
Клавишные переключатели могут иметь 1, 2 или 3 клавиши. Многоклавишные переключатели предназначены для независимо управления несколькими цепями.
Поворотные перекрёстные
Переключатели такого типа устанавливаются реже, чем клавишные. Обычно их применяют в складских и производственных помещениях, для уличного освещения, как украшение интерьера в квартирах. Контактные группы в них замыкаются и размыкаются поворотом рычага.
Внешний вид поворотных переключателей (фотогалерея)
Накладные и встроенные
По способу монтажа переключатели делятся на 2 вида: накладные и встроенные.
Встроенные выключатели монтируются на этапе строительства или ремонта в коробки, установленные в нишах. Провода укладываются в штрабы или крепятся к стенам. Обычно такой способ применяется перед оштукатуриванием стен или облицовкой их гипсокартоном или другими материалами.
Накладные переключатели и подходящие к ним провода крепятся к стене. В этом случае нет надобности штрабить стены и выбивать углубления для коробок. Таким способом их обычно монтируют во время косметического ремонта. Накладные переключатели создают определённые неудобства: на них скапливается пыль, люди во время движения за них цепляются. В некоторых случаях хозяева, наоборот, предпочитают такой тип выключателей для дизайна интерьера.
Характеристики перекрёстных переключателей
На рынке электротехнических изделий имеется богатый выбор выключателей и переключателей отечественных и зарубежных производителей. Отличие в цене у разных производителей существенное, а размеры, технические характеристики сходны.
Основные характеристики
| Напряжение | 220–230 В |
| Сила тока | 10 А |
| Материал корпуса |
термопласт поликарбонат пластик |
Модели с корпусами, защищающими от влаги и пара, стоят дороже.
Заключение
Таким образом, проходные выключатели актуальны для любого здания и помещения. Их можно устанавливать не только в длинных коридорах или помещения большой площади, но и в небольших спальнях. Расположив один выключатель у входа в комнату, а второй около кровати, можно не беспокоиться о вовремя не выключенном свете. Отключить или наоборот включить свет можно, находясь в постели. Широкий модельный ряд позволит подобрать подходящий вариант для конкретного помещения. Схема подключения выбирается индивидуально в зависимости от имеющихся потребностей и площади помещения.
Предыдущая ОсвещениеСам себе электрик: схема подключения двухклавишного выключателя
Следующая ОсвещениеВыбор, применение и характеристики светодиодов: полезные сведения и профессиональные рекомендации