Комплектация однофазного электросчетчика
О прохождении соответствующей проверки свидетельствует наличие пломбы. Итак, где же лучше повесить счётчик: Это должно быть место, к которому не сложно подойти и проверить целостность пломбы, снять показания.
Основные требования Основные правила монтажа и подключения приборов учета определяются п
Расскажите о нюансах подключения которые известны вам.
При этом питание на электросчетчик подается от трансформаторов, которые установлены на вводных силовых шинах.
Инструкции Схема подключения однофазного электросчетчика Представленная здесь схема подключения однофазного электросчетчика универсальна и одинаково подходит для установки одно- или двухтарифного счетчика электроэнергии, не важно электронного или индукционного механического он типа, вне зависимости от марки и фирмы производителя, будь то Нева, Энергомера, Меркурий и т. Его можно поместить в утеплённый шкаф, установить в него лампочку или обогреватель для обеспечения тепла, но кто этим хочет заниматься? О прохождении соответствующей проверки свидетельствует наличие пломбы.
Однако, при отрицательных температурах, аппарат может показывать неправильные данные
Выбор места установки электросчетчика Рассмотрим, как правильно установить электросчетчик в частном доме. Инструкции Схема подключения однофазного электросчетчика Представленная здесь схема подключения однофазного электросчетчика универсальна и одинаково подходит для установки одно- или двухтарифного счетчика электроэнергии, не важно электронного или индукционного механического он типа, вне зависимости от марки и фирмы производителя, будь то Нева, Энергомера, Меркурий и т.
Как подключить счётчик

Причем не только на фазе, но и на нейтрали. Схема подключения трехфазного счетчика Трехфазные счетчики применяются для учета электроэнергии, как правило, на объектах с присоединенной мощностью более 12 кВт более 60 Ампер , а так же при наличии трехфазного электрооборудования вне зависимости от мощности. При этом будут сэкономлены средства, которые пришлось бы заплатить за работу электромонтера по установке прибора учета электроэнергии. Оплату их приобретения и подключения производит собственник помещения.
Третий фактор — цена и репутация. Монтаж всех устройств производят также на DIN-рейку. Стоит ли соглашаться?
Третий фактор — цена и репутация. Протяжка контактов Наверняка, если человек производил монтаж электропроводки в квартире самостоятельно, он уже знает, что контакты соединений должны быть достаточно плотными для предотвращения нагрева и выхода из строя проводов. Сняв первый слой изоляции, согласно необходимой длине отмеряют участок кабеля. Оплату их приобретения и подключения производит собственник помещения. Затем в рейку до щелчка вставляются подключаемые зачищенные контакты.
Подключение дома к электросети — Щитки и провода — Все по уму
Установка счетчика в щите на лестничной площадке или гараже своими руками
На каждой лестничной площадке многоэтажного жилого дома, расположен щит учета с электросчетчиками, которые подсчитывают потребление электричества на всем этаже. Что нужно для монтажа счетчика в распределительном щите:
- Приготовить необходимые инструменты: кусачки, плоскогубцы, клещи для снятия изоляции, отвертки, изоленту и прочее.
- Доступ к вводному рубильнику для отключения от сети линию этого этажа.
Схема подключения счетчика и автоматов защиты.
Подключение счетчика в подъезде
Для начала нужно сделать ответвления от питающей линии. Для этого предварительно обесточенные магистральные провода зачищают от изоляции с помощью специальных клещей, на расстояние 3 см. На это место ставят специальный клеммник для ответвления провода. После установки клеммника на магистральный провод, к нему подключают отводящий провод, который пойдет к вводному автомату.
Аналогичным образом делают ответвление и от нулевого магистрального провода.
Затем устанавливают все аппараты защиты, и сам счетчик, на панель щита, это удобнее делать с помощью Din-рейки. После установки всех компонентов на место производится подключение проводов.
Сделанное ответвление от фазного магистрального провода подключают к вводному автомату, затем с выхода вводного автомата провод подключается, согласно схеме, к первой клемме счетчика. Ответвленный нулевой провод подключают сразу ко второй клемме счетчика, автоматический выключатель для него не нужен.
От третьей клеммы провод идет на групповые автоматы защиты потребителей. Провод с четвертой клеммы подключается к общей шине зануления, к ней же будут подключаться все нулевые провода от потребителей.
Фазные провода, приходящие с квартиры, подключают к нижним зажимам автоматических выключателей, которые установлены после счетчика. Для каждого фазного провода (группы электроприборов) необходимо устанавливать отдельный автоматический выключатель. Запрещается подключение нескольких фазных проводов к одному автомату.
Все нулевые провода от групп потребителей электроэнергии квартиры, подключаются к общей шине зануления.
Помните, что в щите на лестничной клетке, располагаются не только ваши счетчики и автоматические выключатели, но и ваших соседей. Чтобы избежать путаницы при возникновении каких-либо неисправностей обязательно сделайте отметки с номером квартиры на ваших автоматических выключателях и счетчике.
Установка счетчика электроэнергии для гаража аналогична. Отличие заключается только в том, что нет надобности в ответвлении магистральных проводов, поскольку в гараж заводятся уже готовые отдельные провода питания.
Типы и особенности счетчиков
Счетчик электроэнергии однофазный однотарифный Тайпит Нева 103.5 1S0
Электросчетчик – специальное устройство, позволяющее вести учет затрат энергии постоянного или переменного тока. Он предназначен для монтажа в квартире или доме. Существует несколько типов приборов.
По принципу действия
Производители выпускают такие модификации:
- Электромеханические. Индукционный электросчетчик функционирует по принципу образования магнитного поля двумя катушками – тока и напряжения. Поле обеспечивает вращение диска, а он активирует механизм подсчета. При увеличении параметров тока и напряжения диск крутится быстрее. Гарантийный срок службы изделий составляет 15 лет.
- Электронные. Прибор отличается компактностью, ведет подсчет по нескольким тарифам. Электронный аппарат выводит показания на дисплей и хранит их в памяти. Его можно подключать к системе «умный дом».
Точность индукционных моделей – 2,5. Электронные часто выходят из строя.
По количеству тарифов
Бывают модели:
- однотарифные – ведут учет по одной системе;
- многотарифные – подсчитывают энергозатраты по дневному и ночному тарифу.
По способу крепления
Приборы устанавливаются на болты-фиксаторы или Дин-рейку.
Подбирать мощность аппарата нужно по мощности всей техники.
Практические советы о том как подключить трёхфазный счётчик электричества
Подключение счетчика данного типа осуществляется через вводной автоматический выключатель трехфазного типа (содержащего три или четыре контакта). Стоит сразу заметить, что замена его тремя однополюсными категорически запрещена. Коммутация фазных проводов в трехфазных выключателях должна происходить одновременно.
В трехфазном счетчике максимально просто устроено подключение проводов. Так, первые два провода — вход и выход первой фазы соответственно, аналогично — третий и четвертый провода соответствуют входу и выходу второй, а пятый и шестой — входу и выходу третей фазы. Седьмой же провод соответствует входу нулевого проводника, а восьмой — выходу нулевого провода на потребителя энергии в помещениях.
Заземление, обычно, отведено в отдельную колодку и выполнено в виде совмещенного провода РЕN или же РЕ провода. Лучший вариант, если имеется разделение на два провода.
Теперь по шагам разберем установку счетчика. Предположим, что возникла необходимость заменить трехфазный счетчик прямого включения.
Для начала определимся с причиной замены и временем ее проведения.
Предпочтительно производить замену счетчика в дневное время по той просто причине, что освещение в этот период значительно лучше, нежели от применения фонарика. Это значит — проводить работу будет удобнее и быстрее, что не может не отразиться на вашем кошельке, если придется воспользоваться услугами платного электрика.
После этого необходимо снять напряжение, сменив положение переключателя на автоматическом выключателе.
Убедившись, что фазы сняты, проводим демонтаж старого электросчетчика.
Сложности, которые могут возникнуть при установке нового счетчика связаны с тем, насколько отличаются производители и модели старого и нового счетчиков, а вместе с этим их формы и габариты.
Производим предварительную примерку нового счетчика, приложив его в пределах периметра соприкосновения поверхности (стенки) крепления и самого корпуса электросчетчика
Тут важно, чтобы боковые крепежные отверстия обоих из них совпали
Если предварительна проверка показала некоторые несоответствия, устраняем их, добавив подходящие крепежные отверстия, удлиняем провода, если клеммы нового счетчика оказались расположены немного дальше и т.д.
Теперь, когда все сходится, приступаем к подключению. Последовательность подключения такова (слева направо): первый провод — фаза А (вход), второй — ее выход; третий — вход, а четвертый — выход фазы В; аналогично — 5-й и 6-й провода, соответствующие входу и выходу фазы С, последние два — вход и выход нулевого проводника.
Дальнейший монтаж электросчетчика происходит согласно прилагающейся к нему инструкции.
Среди мер предосторожности, которых, взирая на серьезность последствий, следует строго придерживаться, главное место отводится табу на любого рода самодеятельность — создание непредусмотренных перемычек; действия, которые могут привести к нарушению нормального контакта и т.д. Необходимо тщательно следить, чтобы провода были хорошо протянутыми
Следует помнить, что подключение счетчика может производить исключительно квалифицированный электрик, имеющий разрешение на проведение таких работ. После окончания установки счетчик будет опломбирован специалистом.
Как подключить трёхфазный прибор к однофазной сети

Мнения специалистов расходятся относительно того, будет ли трёхфазный счётчик в однофазной сети считать правильно.
Само же подключение проводится по такому же принципу, как и однофазный счётчик, только входную фазу нужно подсоединить к клемме для фазы «А», а входной ноль к клемме входного нуля. Выход фазы и ноля — аналогичным образом.
Стоит учесть: разрешение на установку трёхфазного счётчика в однофазную сеть будет означать, что поставщик уверен в том, что счётчик не будет считать меньше реально потребляемой электроэнергии.

Он просто исправит выявленные недочёты. Поэтому если вы будете соблюдать все правила безопасности, вы ничего не теряете, если попробуете самостоятельно заменить электросчётчик.
Старый индукционный счётчик не следует выкидывать, некоторые поставщики требуют сдавать их им на утилизацию. По их мнению некоторые детали старых электросчётчиков можно использовать для изменения показателей нового счётчика.
Смотрите видео, в котором специалист подробно разъясняет схему подключения трехфазного счетчика электроэнергии:
Как самостоятельно подключить счетчик
Установка электросчетчика своими руками не требует высокой квалификации. Это можно сделать самому. Нужно только сдать его после монтажа электроснабжающей организации или уполномоченному лицу для опломбирования и ввода в эксплуатацию. Рассмотрим, как правильно подключить электросчетчик.
Самостоятельная установка и подключение счетчика электроэнергии.
Подготовка к подключению
Для подключения электрического счетчика следует внимательно прочитать его инструкцию, так как он может не соответствовать окружающим условиям или правилам ПУЭ. Чтобы впоследствии сдать устройство контролирующим органам, при монтаже нужно учитывать требования нормативных документов. Лучше ознакомиться с ними заранее.
Необходимые инструменты для работы
Сначала следует собрать все, что может потребоваться для работы:
- перфоратор (чтобы навешивать щит);
- кусачки;
- рулетку;
- уровень;
- линейку;
- нож;
- отвертки – простую и индикаторную (для проверки наличия напряжения);
- мультиметр;
- приспособление для снятия оплетки (желательно);
- паяльник (при необходимости).
Чтобы сделать работу качественно, требуется необходимый инструмент.
Надо убедиться в том, что напряжение сети отключено. После этого можно приступать к монтажу.
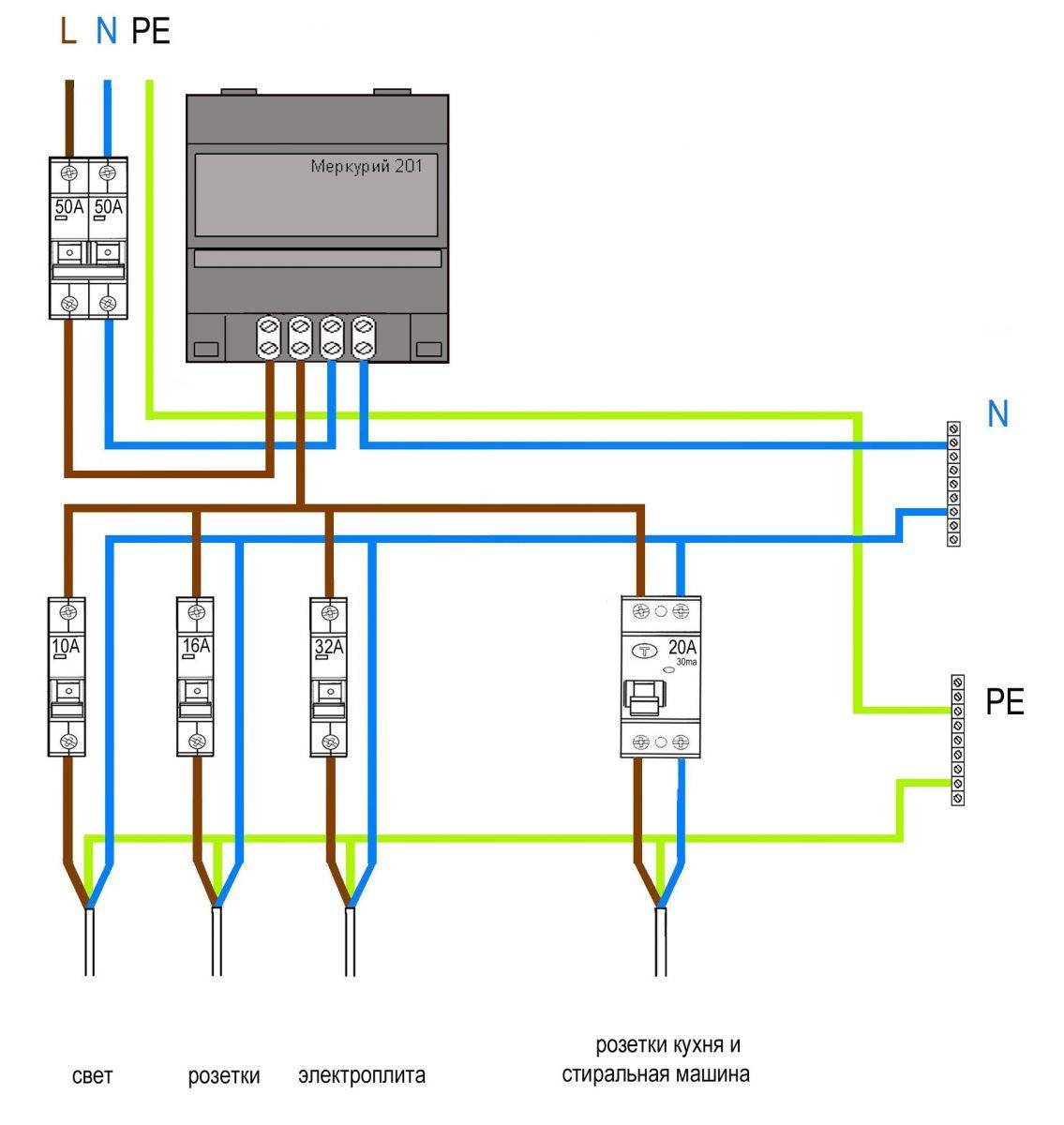
Схема подключения однофазного счетчика
Схемы подключения прибора могут быть разными, но есть общие правила установки:
- Перед электросчетчиком должен быть двухполюсный (а в случае сети на 380 В -четырехполюсный) автоматический выключатель для отключения электроэнергии на время ремонта электросчетчика или его замены.
- После него в цепь должны быть включены еще несколько автоматов – для отключения в случае перегрузок или коротких замыканий. В качестве нагрузки одного из них служат розетки, второго – система освещения. По желанию могут быть установлены еще несколько выключателей отдельно для каждого вида бытовой техники (стиральной машины, холодильника, джакузи и др.), чтобы обеспечить отдельную защиту при использовании этих устройств.
- В большинстве случаев включается еще коммутационная аппаратура для защиты человека от поражения электрическим током (УЗО). Ее не стоит ставить только в случае старой, ветхой проводки, так как система будет срабатывать постоянно. В этом случае лучше поставить УЗО на каждую розетку, к которой подключается оборудование.
Стандартная схема подключения однофазного счетчика будет выглядеть следующим образом (см. фото ниже).
Схема подключения однофазного счетчика.
Схема для трехфазного счетчика
Подключение трехфазного счетчика производится по той же схеме, только к первым 6 контактам подключаются вход и выход каждой из фаз. Остальные 2 контакта предназначены для нулевого провода. Таким образом, схема подключения такого прибора выглядит так (см. фото).
Существующие конструкции электросчетчиков
Есть несколько вариантов исполнения этого прибора:
- однофазные либо трехфазные;
- механические (индукционные) или электронные;
- однотарифные или многотарифные;
- прямого или вторичного включения.
Двухтарифный счетчик электроэнергии и переход на ночной тариф – один из способов уменьшить затраты на электроэнергию.
Употребление выражения “двухфазный счетчик” неверно. В обиходе этим термином называют однофазные приборы с возможностью тарификации. Они выпускаются разными производителями (“Энергомера”, “Меркурий”, “Нева” и проч.), отличаются количеством выводов, вариантами использования, возможностями учета и др.
При выборе нужно учитывать следующее:
- Однофазные приборы используются там, где напряжение сети составляет 220 В. Например, при монтаже счетчика в квартире или офисе.
- Если есть станки, мощное электрооборудование, предполагается подключение 380 В. Применяются трехфазные счетчики электроэнергии.
- И в той, и в другой категории многотарифные устройства употребляются тогда, когда цена электроэнергии отличается в зависимости от времени суток или других обстоятельств.
- Механические (индукционные) приборы, в отличие от электронных, не могут использоваться в неотапливаемых помещениях. Это нужно учитывать при установке счетчика в гараже и в подобных ему сооружениях. Однако они надежны, долговечны и сравнительно недороги.
- Вторичное включение применяется там, где проходят большие токи – в трансформаторных подстанциях или во входном щитке подъезда.
Механические приборы учёта относятся к категории надежных в эксплуатации электросчётчиков.
Электросчетчики являются “модульными” приборами, поскольку, как и другая коммутационная аппаратура, устанавливаются на специальной шине – дин-рейке. Это делается для удобства монтажа электрооборудования в щитке. Кроме электросчетчика, на ней располагаются автоматические выключатели.
Подключение автомата к счетчику производится для защиты прибора от перепадов напряжения или человека – от поражения электротоком.
Подключение счетчика: правила и основные требования
Схема подключения счетчика и автоматов защиты. Если индукционному счетчику придать горизонтальное положение, то он останавливается.
Разнообразие электрических счетчиков учета очень большое, но при этом клеммы подключения на них располагаются в одинаковом порядке, как по месту расположения на панели, так и по порядку подключения. Через токовый трансформатор. Схема подключения двухфазного счетчика представляет собой обрезанный вариант трехфазной.
Что нужно для монтажа счетчика в распределительном щите: Приготовить необходимые инструменты: кусачки, плоскогубцы, клещи для снятия изоляции, отвертки, изоленту и прочее. Распределительные автоматы соединяются между собой сверху небольшими отрезками провода.
Перед подключением ведь все равно придется снять защитную крышку контактов, а именно на внутренней ее стороне и показано расположение подключаемых проводов. Электрических потребителей в современном мире с каждым годом становится всё больше и больше.
Если крепежных винта два, сначала закручивается дальний
Спасибо за внимание. А что будет, если оно произойдет, объяснять, наверное, не нужно
На клеммнике расположены шесть фазных клемм, расположенных парами — три приходящих и три отходящих и седьмая, нулевая.
Схема подключения однофазного электросчетчика

Это объясняется соображениями безопасности: все работы должны проводиться с полным снятием напряжения. Для каждого фазного провода группы электроприборов необходимо устанавливать отдельный автоматический выключатель. Как самостоятельно сделать проводку в доме читайте тут.
Если провод многожильный, на его концы устанавливаются наконечники, которые выбираются по толщине и номинальному току. То есть подключение проводов к счетчику выглядит следующим образом: С учетом всех изложенных выше требований схема подключения однофазного счетчика электроэнергии должна иметь следующий вид так как схема подключения электросчетчика индукционного идентична электронному приведем одну общую схему с электронным счетчиком : Двухполюсный автоматический выключатель — для возможности снятия напряжения со счетчика для его безопасной замены Однополюсные автоматические выключатели — для защиты электросети от коротких замыканий и перегрузок УЗО — для защиты от поражения электрическим током и пожаров. Это не даст вам запутаться при соединении автоматов с последующим выводом проводов в квартиру или дом. Таким образом к выводам счетчика 1 и 3 подключается вводной питающий кабель, а к выводам 2 и 4 подключается нагрузка. К этой клемме подсоединяется нулевой провод, который подходит к дому или квартире.
Если вы смотрите на лицевую панель счетчика электроэнергии, то первая клемма расположена с левого края. Посмотрите подключение счетчика в видео-формате. Тем более что электросчетчика и автоматов силового шкафа это правило касается в первую очередь. Входной Нейтральный провод подключается к клемме 7.
УСТАНОВКА И КРЕПЛЕНИЕ СЧЕТЧИКА.ВВОДНОЙ АВТОМАТ.
Правила установки
Подключение счетчика электроэнергии своими руками не освобождает вас от соблюдения правил:
- В помещении, где устанавливается счетчик, должна быть нормальная или низкая влажность воздуха. Допустимый диапазон температур: 0-40 градусов. Поэтому помещение должно быть отапливаемым;
- Крепить корпус можно в распределительном щитке, в шкафу, на стене или на панелях из дерева, пластика и металла. Ниши должны быть просторными, чтобы не затруднять доступ к устройству;
- Допускается установка на высоте 0,8-1,7 метра. Лучше на уровне глаз, чтобы было удобно снимать показания;
- Наклон корпуса не должен превышать 1 градус, иначе точность показаний резко снизится. В большей степени это касается индукционных приборов;
- При подключении зачищать провода нужно на 1,2 см, не меньше;
- Дополнительно требуется установка автоматического выключателя. Обесточив цепь с его помощью, можно ремонтировать или переустанавливать счетчик.
Этап опломбировки обязателен. Если на счетном устройстве неб пломбы, или она имеет повреждения, то вас обвинят в воровстве электрической энергии, даже если это не так.
Пошаговая инструкция по установке счетчика
Прежде всего, подготавливаем набор для работы. Нам понадобится следующее:
- счетчик и щиток;
- монтажные инструменты с предварительно заизолированными ручками;
- изоляторы;
- выключатели (автоматы);
- провода;
- крепежи (винты и гайки);
- измеритель напряжения;
- DIN-рейки.
Щит учетаУстановка счетчика
Далее работаем в таком порядке.
Второй шаг
Устанавливаем учетный прибор в корпус защитного щитка. Крепление выполняем с помощью специальных фиксаторов из комплекта.
Установка площадкиГотовим монтажные проводаЗаводим три фазы в счетчик, подключаем нижние клеммыВ клемму счетчика 1 входит фаза А, выходит из клеммы 2 на нагрузку; фаза В входит в 3 клемму, выходит в 4 и фаза С входит в 5, а выходит из 6. 7 и 8 — нулевые
Третий шаг
Устанавливаем выключатели. Их будем крепить к DIN-рейке специальной подпружиненной защелкой. Саму же рейку предварительно фиксируем винтами к опорным изоляторам.
Четвертый шаг
Выполняем установку заземляющей и защитной шин. Крепим их к DIN-рейке либо же изоляторам в корпусе защитного щитка. Фиксацию выполняем винтами и гайками. Шины размещаем на таком расстоянии, чтобы вероятность замыкания проводов была исключена.
Сначала подключаем нагрузку на выключатели, после соединяем автоматы со счетчиком и только после этого выполняем подключение самого учетного прибора.
ПеремычкаПодключение ОПС
Пятый шаг
Подключаем нагрузки. Фазу пускаем на нижние зажимы выключателей, ноль соединяем с нулевой шиной, а провод заземления подключаем к шине заземления.
Шестой шаг
Устанавливаем перемычки, соединяющие зажимы сверху наших автоматов. Перемычки продаются в специализированных магазинах. Предварительно покупаем нужное количество перемычек по числу автоматов.
Нулевая шинаПрикручиваем провод к болту заземления
Седьмой шаг
Подключаем электросчетчик к нагрузке. Для этого выход «фазы» (является третьим зажимом учетного прибора) соединяем с верхними зажимами автоматов. Далее соединяем выход «нуля» (представлен четвертым зажимом учетного прибора) с нулевой шиной.
Восьмой шаг
Закрепляем корпус щитка электросчетчика на стене или другом подходящем для этого ровном основании. Выдерживаем удобную высоту.
Девятый шаг
Находим фазу, ноль и заземление. При отсутствии заземления проверяем специальным индикатором каждую жилу. Это простое приспособление поможет нам найти фазу. Если же заземление присутствует, вы легко его узнаете – обычно эта жила окрашена или помечена зеленым цветом.
Тринадцатый шаг
Обращаемся в местное представительство службы энергосбыта для дополнительной проверки и опломбирования учетного оборудования.
Работа завершена
На этом работа по собственноручному монтажу и подключению электрического счетчика завершена.
Поздравляем, вы успешно справились со всеми мероприятиями и сэкономили деньги на услугах сторонних монтажников!
Закрываем защитные крышки щита учета, прикручиваем саморезами
Выбор счетчика электроэнергии
Подключать можно не первый попавшийся счетчик. Перед покупкой нужно определиться с его параметрами:
- Принцип действия;
- Количество фаз;
- Межповерочный интервал;
- Точность показаний;
- Количество возможных тарифов;
- Способ установки;
- Класс напряжения.
Рассмотрим параметры выбора подробнее, потому что от них зависит, насколько точными будут измерения, которые влияют на размер оплаты за пользование электроэнергией.
Счетчик: индукционный или электронный?
Проходя через индукционный счетчик, ток заставляет вращаться металлический диск. Подсчет электроэнергии в этом случае производится с учетом количества оборотов вращающегося элемента: каждый полный круг соответствует одной и той же работе, совершенной током. Индукционные счетчики недорого стоят, но дают менее точные показания. Такой счетчик когда-то был у всех.

Современные счетчики не имеют подвижных элементов. Их называют электронными. Количество расходованной энергией считается полупроводниками или микросхемами. Электронные аналоги стоят дорого. Но точность их показаний высокая. Если вы потребляете много энергии, то разница в 2% для вас будет существенной.
На сколько фаз?
Выбор количества фаз счетчика зависит только от того, к какой линии вы подключаетесь: однофазной или трехфазной. Если к однофазной сети – берите электросчетчик, рассчитанный на одну фазу. В противном случае приобретите трехфазный аналог. В городе однозначно однофазная линия, в дачном поселке – тоже, а в частном доме, коттедже или производственном цехе нужно уточнить, сколько фаз имеет линия: 1 или 3.
Межповерочный интервал
Показывает, через какой срок к вам придут за счетчиком, чтобы проверить его на правильность работы (пример: МПИ – 15 лет). Проверка проводится в РосТесте, а начало отсчета времени до следующей проверки начинается с даты, которая указана в формуляре и на пломбе.
Точность показаний
Класс точности у старых счетных устройств лежит в диапазоне 0,2-2,5%. Современные аналоги измеряют с точностью до 2%.
Количество тарифов
Однотарифные счетчики могут подсчитывать энергию только в одном режиме, двухтарифные – в двух, многотарифные – в нескольких. Среди частных домов и квартир популярность получили двухтарифные устройства: с 7.00 до 23.00 энергия рассчитывается в обычном режиме. А в ночное время скорость оборотов падает и 1 оборот ночной равен 0,7 оборота дневного.
Два тарифа удобны для людей, которые расходуют много электроэнергии или активно тратят ее только ночью. Пример: в месяц расходовано 500 кВт*ч, 300 из которых – ночью с коэффициентом 0,7. Счетчик посчитает только 210 кВт за ночь. Это экономия в стоимость 90 кВт*час энергии, что в зависимости от региона составляет от 180 до 360 рублей в месяц.
Способ подключения
На каждом счетчике обозначается минимальный и максимальный ток прямого включения в Амперах. Если он меньше или больше, то требуется установка через трансформатор тока.
Класс напряжения
Для 100-, 220- и 380-вольтных линий нужны счетчики с соответственным классом напряжения. Иногда классы отличаются от номинальных значений в большую сторону. Это необходимо для защиты счетного устройства от скачков напряжения в сети.
Передаточное число
Показывает, сколько оборотов должен сделать индукционный прибор (или вспышек индикатора электронный), чтобы засчитался 1 кВт*час энергии. Передаточное число обозначается на корпусе. В старых счетчиках оно равно нескольким сотням, в новых устройствах – тысячам. Обычно это 3200.
Пример
На фото счетчика видно, что (кликните для увеличения картинки):
- Класс напряжения – 230 Вольт (1 фаза);
- Способ подключения – прямой при токе 5-60А, через трансформатор при значении ниже или выше диапазона;
- Точность (в кружочке) – 1%;
- Передаточное число – 3200.
Видна и частота переменного тока – 50 Гц. Но она для российских электролиний одинакова, поэтому на этот параметр можно закрыть глаза.
Как установить

Для этого нужно:
- приобрести электросчетчик;
- подать заявку в офис обслуживания населения ОАО «Мосэнергосбыт» (если в Москве) или в соответствующие организации по месту жительства на замену счетчика и переходе на новый тариф;
- оплатить последние счета за потребленную электроэнергию;
- оплаченный счет и техпаспорт купленного счетчика приложить к заявлению.
В оговоренное время придет специалист, установит и опломбирует счетчик, составит акт о подключении прибора.
Если счетчик заблаговременно не приобретен, то его может предоставить сама организация, но по своим ценам. Стоимость установки вместе с прибором учета колеблется в диапазоне 5-7 тысяч рублей.
Замечание специалиста: если есть соответствующие знания, счетчик можно установить и самостоятельно. Однако все равно придется пригласить специалиста для опломбировки прибора.

С нового счетчика после самостоятельной установки снимается гарантия, и показания все равно будут учитываться только после подключения, опломбировки и снятия начальных показаний специалистом из обслуживающей организации. Поэтому лучше обратиться к специалистам, к тому же сам процесс установки небезопасен.
Стоит учесть: по приблизительным подсчетам, при почти полном переводе бытовой техники на ночной режим, расходы на установку нового счетчика полностью окупятся через год-полтора, а если использовать льготы ночного времени лишь время от времени, то прибыль от экономии начнется не ранее, чем через три года.
Смотрите видео, в котором разъясняется, когда выгодна установка двухтарифного счетчика электроэнергии:
Подготовка к монтажу
Перед тем, как выполнить подключение счетчика, если конечно электропроводка помещения монтируется с «нуля», необходимо в удобном для обслуживания месте, желательно рядом с силовым вводом, установить вводной шкаф или бокс, в котором и будут закреплены защитные автоматы и однофазный электросчетчик. Они могут быть как металлическими, так и пластиковыми
Важно знать, что по правилам электрические боксы крепятся не ниже 0,8, и не выше 1,7 метров от пола. Делается это для удобства обслуживания и снятия показаний, а также и для электробезопасности
Внутри подобных шкафов, которые производятся в наше время, уже оборудованы дин-рейки, обеспечивающие крепеж включаемых в схему устройств и зануляющие шины, а потому современный монтаж значительно упрощен.
На дин-рейку устанавливается вводной автомат, обычно наиболее мощный, чем распределительные, которые будут отключать ту или иную линию питания квартиры, в зависимости от необходимости, а также непосредственно сам электросчетчик.
Главное правило при монтаже подобных силовых щитов — сначала производятся все подключения от квартиры или помещения, и только в последнюю очередь подается нагрузка.
Из инструмента, чтобы подключить счетчик электроэнергии, потребуется перфоратор и крепежная арматура для бокса, плоскогубцы, плоская и крестовая отвертки, нож для зачистки изоляции.
Подключение счетчика: правила и основные требования
Точно все требования прописаны в ПУЭ, а основные правила такие:
- Устанавливаться должен с защитой от воздействия погодных условий. Традиционно монтируются в специальные боксы (короба) из негорючего пластика. Для установки на улице короба должны быть герметичными и должны обеспечивать возможность контроля показаний (иметь стекло напротив табло).
- Закрепляется на высоте 0,8-1,7 м.
- Подключение счетчика производится медными проводами, сечением соответствующим максимальной токовой нагрузке (есть в техусловии). Минимальное сечение для подключения квартирного электросчетчика 2,5 мм 2 (для однофазной сети это ток 25 А, что сегодня очень мало).
- Проводники используются изолированные, без скруток и ответвлений.
- При однофазной сети дата госповерки счетчика — не старше 2 лет, при трехфазной — одного года.
Место установки счетчика в многоквартирных домах регламентируется проектом. Счетчик может устанавливаться на лестничной площадке или в квартире — в щитке. Если ставится в квартире, то обычно недалеко от двери.

Комплектация входного щитка
В частном доме тоже несколько вариантов. Если столб стоит во дворе, можно счетчик разместить на столбе, но лучше — в помещении. Если по требованиям энегроснабжающей организации он должен находится на улице, ставят его на лицевой стороне дома в герметичном боксе. Автоматы, идущие к группам потребителей (различным устройствам) монтируются в другом боксе в помещении. Также одно из требований при монтаже электропроводки в частном доме: провода должны просматриваться визуально.

Установка счетчика на столбе
Чтобы была возможность проводить работы на электросчетчике, перед ним устанавливают входной рубильник или автомат. Он тоже пломбируется, причем возможности поставить пломбу на самом устройстве, как на счетчике, нет. Необходимо предусмотреть возможность отдельной пломбировки этого устройства — купить небольшой бокс и смонтировать его внутри квартирного щитка или поставить отдельно на лестничной площадке. При подключении счетчика в частном доме варианты те же: в одном боксе со счетчиком на улице (пломбируется весь бокс), в отдельном боксе рядом.