Характеристики и особенности выбора
Для начала нужно подобрать напряжение, при котором будет работать уличный датчик освещенности: 12 V или 220 V. Другая немаловажная характеристика — категория защиты. В связи с тем, что прибор будет работать на улице, защитный класс должен быть не менее IP 44. То есть внутрь такого устройства не проникнут предметы, размер которых превышает один миллиметр и им не страшны брызги воды. Следующий критерий выбора — допустимые температуры при эксплуатации.
Рекомендуется выбирать такие датчики света для уличного освещения день/ночь, которые с небольшим запасом превышают средние температуры в вашей местности.
Выбирать сумеречный датчик нужно и по мощности подключаемых лампочек и электротоку нагрузки. Тут тоже лучше брать устройства с небольшим запасом.
В некоторых устройствах предусмотрена возможность регулировки чувствительности. Снижать этот показатель рекомендуется при выпадении снега. В этой ситуации свет, отраженный от поверхности снега, может восприниматься датчиком как рассвет. В итоге освещение будет постоянно отключаться и включаться.
Также очень полезной опцией считается задержка срабатывания. К примеру, если в ночное время на фотореле попадет свет автомобильных фар. Если задержка будет очень маленькой, то свет отключится. Но этого не произойдет, если она будет хотя бы пять-десять секунд.
Инструкция Датчик Движения Дд 008
Датчик движения для освещения . Также такой датчик учитывает и уровень освещенности. Для коммутации цепей нагрузки используется встроенное в датчик электромеханическое промежуточное реле. Чаще всего датчики движения применяют для управления освещением улиц или жилых помещений. В настоящее время датчики движения мы устанавливаем на автоматическое управление освещением тамбуров и лестничных площадок подъездов жилых многоквартирных домов. Скоро я опубликую около 1. Подписывайтесь на получение уведомлений о выходе новых статей на сайте.

Форма подписки расположена внизу статьи и в правой колонке сайта. Актуальность применения датчиков движения для включения света обусловлена не только удобством и комфортом
При использовании датчиков движения значительно уменьшается расход электрической энергии, что немаловажно в наше время, а также увеличивается срок службы самих ламп. Принцип работы датчика
Принцип работы датчика движения для включения света очень прост.
Датчики предназначены для автоматического включения и выключения нагрузки в заданном интервале времени в зависимости от наличия движущихся . ДАТЧИКИ ДВИЖЕНИЯ служат для автоматического включения и отключения освещения в целях экономного использования .
При появлении какого- либо движения в зоне чувствительности датчика, он начинает определять уровень освещенности. И если уровень освещенности ниже уставки срабатывания, то датчик срабатывает, тем самым включая своими выходными контактами светильник. Все правильно. Логика здесь прослеживается. Ведь если движение будет в светлое время суток, то зачем включать свет, ведь днем и без того светло. Мощность выходных цепей датчика зависит от типа и разновидности датчика.
Например, у датчика движения типа ДД- 0. ВА) для энергосберегающих ламп и 1. Вт) для ламп накаливания. Согласитесь, очень даже неплохо. Датчик движения для включения света типа ДДДля реализации вышесказанного я использую инфракрасные датчики типа ДД- 0.
ДД- 0. 24. В от фирмы IEK. Проблем с ними не было, поэтому рекомендую их к применению. Вот так он выглядит.
А это его габаритные и установочные размеры. Основные характеристики инфракрасного датчика представлены в таблице ниже (нажмите на картинку для увеличения): Установка датчиков движения. Теперь разберем вопрос установки датчиков, т. Чтобы не было частых ложных срабатываний место его установки тщательно выбирается. Запрещено устанавливать датчик движения, если в его зоне чувствительности находятся: вентиляторы (движущиеся и вращающиеся части, лопасти)проезжающий транспорт (тепло от двигателей)кондиционеры (влияние отрицательной температуры)трубы отопления (влияние положительной температуры)деревья и кустарникиразличные электромагнитные помехи. Не стоит забывать и про угол обзора датчика. При установке датчика на потолке угол обзора составляет 3.
Если же установить его на боковой стене, то угол обзора уменьшиться до 1. Крепеж датчика движения к поверхности выполняется в следующей последовательности. Поворачиваем защитную крышку датчика по часовой стрелке и снимаем ее. Открывается доступ к двум крепежным отверстиям и регулировочным винтам.»LUX» — регулятор уставки срабатывания в зависимости от уровня освещенности»TIME» — регулятор выдержки времени во включенном состоянии»SENS» — регулятор уставки чувствительности к инфракрасному излучению. Схема подключения датчика движения.
Датчик движения должен получать питание через автоматический выключатель или предохранитель, т. Подключение проводов осуществляется к клеммным зажимам. Сечение провода не должно превышать 1,5 кв.
Эта схема самая простая в подключении. L — фаза, N — ноль, А — коммутируемая (выходная) фаза с датчика на светильник. Вариант 2. Второй вариант (не стандартный) схемы подключения смотрите ниже. Эту схему подключения датчика можно применить в том случае, если Вам необходимо, чтобы свет горел какой то период времени, не зависимо от освещенности и движения. Для этого в схему, параллельно датчику, подключаем обычный одноклавишный выключатель (можно и двухклавишный при использовании одного контакта). Вариант 3. Третьим вариантом схемы подключения датчика движения для включения света необходимо воспользоваться при условии, что общая выходная нагрузка (мощность светильников) превышает предельное значение (об этом я говорил в самом начале статьи). Для этого в схему добавляем контактор с напряжением катушки на 2.

В этом видео рассмотрены основные виды датчиков движения. Три провода всего и инструкция вроде не на китайском).
Как настроить датчик движения?
Изменение настроек прибора проводится при помощи рукояток на корпусе. Их количество зависит от модели устройства, обычно переключателей от 2 до 4. Возле каждой ручки находится обозначение настройки, за которую она отвечает (буквенное и символьное), а также направление вращения рукоятки.
Оптимальные параметры и настройки имеет смысл подобрать до монтажа датчика. После подключения, особенно если прибор монтируется под потолком, тестировать настройки и менять их будет не слишком удобно.
LUX означает регулятор освещенности. С помощью этой настройки устанавливается пороговое значение освещенности, после которого датчик реагировать не будет. При первом подключении значение обычно ставится на максимум.
Настройка датчика движения TIME отвечает за промежуток времени после срабатывания, в течение которого свет будет включен. Если движение продолжается после первого срабатывания, таймер начинает отсчет заново, потому при базовой установке время обычно ставится на минимум.
Настройки SENS и MIC (регулятор чувствительности и микрофона) на бытовых моделях датчиков движения встречаются редко. Первый отвечает за «восприимчивость» датчика и устанавливается на максимальное значение, второй — за уровень чувствительности микрофона (ставится на минимум).
Выбор датчика
Для правильного выбора регистратора для автоматического включения осветительных приборов следует ознакомиться с технологией их действия, а именно:
Область применения. Необходимо предварительно определить место установки устройства (во внутренней или наружной части помещения) ввиду того, что на рынке представлены пыле- и влагозащищенные варианты, а по способу крепления – навесные, встраиваемые и на опорных держателях.
Мощность прибора освещения, к которому будет выполняться подключение. Это обусловлено тем, что регистраторы имеют рабочее напряжение от 200 Вт и свыше. Так, к уличному световому прибору целесообразно установить регистратор с максимальным углом обзора, а в квартире установить более дешевый вариант
Особо следует обратить внимание на мощность при планируемом сочетании устройства с энергосберегающей лампой. Перед приобретением нужно рассчитать общую нагрузку и в случае превышения указанной нагрузки в инструкции, потребуется установка промежуточного реле или распределение нагрузки между устройствами.
Угол обзора
В помещениях или с наружной стороны здания (установка выполняется на любой из стен) лучше всего подойдет стандартный датчик, с горизонтальным углом обзора, равный 180 градусов и даже меньше. Можно также установить устройство, имеющее два сенсора, суммарный угол обзора которых будет равен 180 градусам. Для обеспечения максимального угла наблюдения устанавливают прибор с тремя сенсорами, в данном случае угол обзора составляет 360 градусов. Такие устройства монтируют на потолке.
Вид лампы и осветительного прибора. Использование датчиков возможно с любым типом ламп и световых приборов. Рынок предоставляет патроны и выключатели с вмонтированными регистраторами, которые идеально подходят для применения в доме или офисе.
Радиус действия. Данный показатель характеризует максимальное расстояние объекта от устройства, на котором перемещающийся объект может быть обнаружен. Для инфракрасных сенсоров область действия равна 12 метрам.
Двухполюсные или трехполюсные. Первый вид регистратора применяется в сочетании с лампами накаливания. Их подсоединение выполняется последовательно. Последние модели являются более универсальным видом и используются с любым типом ламп.
Инструкция по установке и эксплуатации датчиков движения
Датчики движения являются идеальными элементами практичности и энергосбережения. Принцип действия основан на применении теплочувствительного PIR-элемента, который обнаруживает изменение температуры в лучах, сформированных специальной оптикой.
Датчики срабатывают (включают свет) при попадании движущегося объекта, излучающего тепло (например, человека), в зону чувствительности датчика. Они оснащены таймером, который автоматически выключает свет через четко установленное пользователем время и сенсором, позволяющем учитывать естественное освещение.
Применение: в коридорах, подъездах, проходах, помещениях, где происходит кратковременное пребывание людей.
ИНФОРМАЦИЯ ПО БЕЗОПАСНОСТИ.
Использование датчика вне помещений возможно только при условии его правильного монтажа специалистом. Перед установкой убедитесь, что кабель магистрали надежно изолирован. Если Вы сомневаетесь, проконсультируйтесь с квалифицированным электриком перед началом любой работы, связанном с установкой и монтажом электротехнических изделий.
1) ВЫБОР МЕСТОПОЛОЖЕНИЯ.
Удостоверьтесь, что датчик находится на достаточном удалении от любых горючих материалов и/или поверхностей. Используйте Рис.1 для руководства. Дальнейшее руководство по расположению датчика приведено в главе 4) МЕСТОПОЛОЖЕНИЕ ДАТЧИКА ДВИЖЕНИЯ.
2) УСТАНОВКА.
- После выбора подходящего местоположения, необходимо отметить положение (позицию) для отверстий винтов (используйте монтажную скобу установки датчика как шаблон). Закрепите монтажную скобу при помощи винтов, обеспечив надежное крепление и безопасное использование. Временно установите датчик в выбранном месте.
- На задней части датчика найдите контактную коробку; удалите винты, которые обеспечивают крепление и снимите крышку, чтобы иметь свободный доступ к контактам. Через канал, расположенный в основании коробки, проведите магистральный кабель внутрь и закрепите его зажимом. Соедините магистральный кабель с соответствующими контактам (см. Рис. 2).
- После того, как Вы подсоединились, зажмите винты контактов и зажима крепления магистрального кабеля. Закройте и закрепите крышку контактной коробки.
- Закрепите винты на монтажной скобе датчика, убедитесь, что он надежно закреплен к поверхности. Отрегулируйте угол наклона датчика, ослабляя винты, расположенные с боков монтажной скобы. При достижении желательного угла наклона, зажмите винты до исходного состояния. Удостоверьтесь, что кабель не касается никаких острых предметов и безопасно расположен.
3) ДАТЧИК ДВИЖЕНИЯ.
Датчик движения имеет три регулировочных диска (см. Рис. 3)
| Регулирование времени: | время, в течение которого горит свет, может быть отрегулировано от 6 секунд до 20 минут. |
| Регулирование датчика светочувствительности: | чувствительность света может быть отрегулирована от 0 до 30 люксов. |
| Регулирование чувствительности диапазона датчика: | подстройка радиуса действия датчика может быть произведена от 0 до 12 метров (макс). |
4) МЕСТОПОЛОЖЕНИЕ ДАТЧИКА ДВИЖЕНИЯ.
Местоположение датчика важно для оптимальной работы. Изучите следующую диаграмму для руководства (см
Рис. 4)
Датчик может включаться, когда этого не требуется делать, в следующих случаях:
- попадания в зону действия датчика потока горячего воздуха или резких порывов ветра;
- испускания тепла от двигателя проезжающего мимо автомобиля;
- в дневное временя суток, если датчик размещен в затененном месте (под крышей, деревьями).
Датчик не будет работать удовлетворительно, если он расположен таким образом, что на пути действия датчика движения есть препятствия.
Если температурное различие между объектом(целью), который будет обнаружен и областью окружения датчика является слишком маленьким (например летом), датчик будет реагировать позже, и диапазон обнаружения должен быть уменьшен до 6 метров вместо максимальных 12 метров.
5) ОСНОВНЫЕ ТЕХНИЧЕСКИЕ ДАННЫЕ.
| Ширина (мм) | 138 | 138 | 138 | 185 |
| Высота (мм) | 195 | 195 | 195 | 296 |
| Глубина (мм) | 115 | 115 | 115 | 145 |
| Максимальная мощность (Вт) | 1000W | 500W | 150W | 500W |
| Степень защиты | IP 44 | IP 44 | IP 44 | IP 44 |
| Радиус действия | 10 метров | 12 метров | 5-12 метров | 5-12 метров |
| Угол обзора | 180° | 180° | 120° | 120° |
| Время задержки | От 5с до 10 мин | От 5с до 10 мин | От 5с до 10 мин | От 5с до 10 мин |
2 Монтаж и подключение «умного» прожектора
К каждому прожектору должна прилагаться инструкция с описанием как его подключить. Но даже если ее не оказалось, подготовить осветительный прибор к работе будет достаточно просто. Все электромонтажные работы в уже имеющейся сети следует проводить при отключенной электроэнергии (выключенном щитке).
Фиксируем прожектор на выбранном месте установки посредством крепежных элементов на его корпусе либо специального кронштейна, поставляемого в комплекте. Для подключения к электрической сети используем провод ПВС либо ШВВП. Он должен быть 3-жильный, если прожектор будет подсоединяться к заземлению. Если нет – достаточно 2-жильного. Сечение провода должно быть не менее 0,5 мм 2 для светодиодного осветительного прибора. Для галогенового может потребоваться кабель большего сечения – это зависит от мощности его лампы.
Если вблизи прожектора есть розетка с подводящими проводами подходящего сечения, способными выдержать нагрузку, то можно воспользоваться ей. Достаточно отмерить у кабеля нужную длину и подсоединить к нему вилку либо напрямую подключить его к контактам розетки. Но обычно провод приходится тянуть до ближайшей распредкоробки электросети. Идеальное решение в любом случае – проложить кабель до щитка дома и подсоединить в нем через автоматический выключатель, рассчитанный на 6–10 А и установленный отдельно специально для прожектора.

Подключение светильника
При протягивании провода по постройкам прокладываем его в гофротрубе с внутренним диаметром 16–20 мм, которую крепим к стене. Если надо кабель завести на большое расстояние или на столбе, способ следует использовать воздушный или подземный.
Самое простое подключение прожектора с датчиком движения, который встроен или жестко закреплен на корпусе осветительного прибора. В этом устройстве датчик и лампа уже подсоединены друг к другу. Надо всего лишь открыть крышку контактной коробки прожектора, завести внутрь провод через предназначенное для этого отверстие и подключить его в соответствии с цветовой и буквенной маркировкой:
- черный либо синий к такому же проводу и клемме со значком 0 или N – это ноль;
- красный либо коричневый к Ф или L – это фаза;
- желто-зеленый к клемме с 3-я черточками и палочкой сверху – это заземление.

Установка осветительного прибора
У некоторых осветительных приборов отрезок кабеля уже подсоединен и выведен из корпуса прожектора. Коммутируем его со своим проводом согласно цветовой маркировке, лучше через отдельную клеммную коробку, закрепленную рядом.
Если датчик установлен отдельно, то придется еще тянуть кабель между ним и прожектором, а также правильно подключить их. В этом случае тоже надо следовать цветовой маркировке. Главное, не ошибиться с подсоединением датчика, иначе его можно сжечь. Его коричневый провод (обозначение клеммы – L) подключаем к фазе, а красный (контакт A) – к одному из выводов прожектора. Второй проводник светильника и синий датчика (клемма N) подсоединяем на ноль.
Схема датчиков движения для освещения
ДД реагирует на движущие объекты и включает свет, при отсутствии движения – отключает
Под задней крышкой устройства установлена клеммная колодка с тремя цветными проводами, выведенными за пределы корпуса. Провода подключают к клеммным зажимам или к изолированным наконечникам, если подключение осуществляется с применением многожильного кабеля. Датчик подключен к сети, питание проходит по коричневому проводу фазы L и по синему проводу нулевой фазы. На выходе из корпуса обе фазы идут к лампе накаливания осветительного устройства или к другим приборам, включение которых необходимо при появлении признаков движения в зоне действия. Если в области чувствительности отмечается движение, устройство срабатывает, происходит замыкание контакта реле с подачей тока на лампу, и она включается.
Получить исчерпывающую информацию о конструкции приобретенного датчика движения можно из приложенной к устройству инструкции производителя. Кроме того, схематичное изображение оптимального способа подключения обозначено на крышке модели.
Принцип действия прост. При появлении движущегося объекта в зоне действия мгновенно замыкается электрическая сеть, включая присоединенные к датчику приборы и оборудование: освещение, системы кондиционирования и вентиляции и т.д. При отсутствии признаков движения в течение определенного промежутка времени электрическая цепь размыкается, все устройства выключаются. Таким образом удается избежать непрерывной эксплуатации энергоемких устройств и экономно расходовать их рабочий ресурс.
На что еще обращают внимание при покупке датчика движения
Если датчик движения для прожектора еще не приобретен, то при его выборе, помимо перечисленных выше особенностей приборов, стоит обратить внимание на производителя и некоторые важные для эксплуатации характеристики
Цены на светодиодные прожекторы
светодиодный прожектор
- Среди компаний, которые пользуются популярностью у потребителей из-за качества их продукции, можно назвать «Theben» и «Brennenstuhl» (Германия), «Orbis» (Испания), российские бренды «Camelion» , «Feron», «TDM», «ЭРА». Многие из перечисленных приборов собираются в Китае, но особых нареканий по качеству нет. Да и чисто китайские бренды «Ultralight» или «REXANT» тоже считаются вполне достойными и конкурентоспособными моделями.
- Допустимая мощность нагрузки должна быть по меньшей мере не ниже потребляемой мощности предназначенного к совместной установке прожектора. А вообще – лучше, чтобы был еще и определенный запас, прядка 30%.
- Для уличного размещения требуется выбирать датчики, которые имеют класс защиты корпуса не ниже IP44.
- Важнейшими параметрами являются дальность срабатывания и угловая ширина сектора обзора.
- Производитель может указывать рекомендуемую высоту установки датчика. Этой рекомендации следует придерживаться, чтобы система автоматического включения света работала корректно, без сбоев и «холостых» пусков.
- Качественные приборы имеют несколько регуляторов настройки – задержка времени выключения и чувствительность сенсора. В недорогих моделях эти параметры могут быть предустановлены, и корректировке не подлежат. Это может быть очень неудобно в эксплуатации.
- Еще одним элементом настройки может быть изменения уровня освещенности для срабатывания прибора. Как правило, в конструкцию датчика движения включается фотореле. То есть прибор будет реагировать на движение включением света только в условиях недостаточной освещенности, ниже предустановленного уровня. Согласитесь, нет смысла в работе такой системы днем.
Если фотореле нет, то придется или ежедневно производиться включение-выключение питания вручную. Или все же приобретать дополнительно фотореле и включать его в общую схему. Как это делается – будет показано ниже.
Подключение датчика
Обычно прибор подключают в сеть вместо выключателя — замыкание цепи происходит автоматически. Если нужно предусмотреть режим, в котором лампа не гаснет после заданного промежутка времени, в схему встраивают отдельный выключатель. Схема подключения предусматривает параллельную работу датчика и обычного выключателя.
В большом помещении один прибор может не справиться с объемом комнаты. Тогда применяют схему с двумя датчиками, расположенными в противоположных углах, которые контролируют один светильник либо зональную подсветку
Важно проследить, чтобы оба прибора работали от одной фазы, в противном случае возникнет короткое замыкание
Для случаев, когда необходимо включить несколько мощных ламп при сигнале от одного датчика (например, при организации уличного освещения), применяют схему подключения с магнитным пускателем.
Проводка
Блиц-советы
Корпус прибора выполнен из пластика, поэтому его следует беречь от механических повреждений
С особой осторожностью необходимо обращаться с линзой, являющейся важнейшим элементом оптической системы устройства.
При установке прибора на улице следует учесть, чтобы регистратор не подвергался воздействию прямых солнечных лучей и атмосферных осадков
Специалисты рекомендуют обустроить защитные козырьки.
Следует принять во внимание, что датчики невосприимчивы к прямому движению по направлению к ним, в таких случаях он не срабатывает. Поэтому располагать его в комнате над дверью, находящейся с противоположной стороны по центру не целесообразно.
Не все регистраторы движения для освещения работают точно со светодиодными и люминесцентными лампами. Бесперебойно работают устройства на обычных электромеханических реле. Поэтому перед его приобретением желательно получить у продавца исчерпывающую информацию касательно данной особенности.
Важные характеристики датчика движения
Перед тем, как продумывать схему подключения датчика движения для освещения, важно убедиться: модель подходит к условиям эксплуатации. Учитываются такие параметры следящего прибора
- Сетевое напряжение и потребляемая мощность. Обычно на упаковке указывается 220…230 В. В зависимости от сложности устройства, пассивности или активности системы, датчик потребляет 0,5…5 Вт.
- Диапазон обнаружения или угол охвата (угол зоны чувствительности). Определяет, с каким углом «расходятся» лучи. Кроме того, играет роль положение прибора – на стене, на потолке, высота размещения. Площадь обслуживаемой зоны составляет 1…150 м.кв. и больше.
- Логически продолжает понятие «зона охвата» термин «дальность действия перпендикулярно и фронтально». Дальность действиям фронтальная – это зона, из которой лучи идут под небольшим углом (менее 30 градусов) к поверхности линзы. Поперечно (перпендикулярно) падающие на линзу лучи определяют размер поперечной зоны дальности. Чем меньше угол между поверхностью линзы и падающим лучом, тем меньше зона. Нахождение объекта непосредственно под датчиком определяют не все модели. В их описании указывается «зона присутствия».
- Дополнительная функция «защита от подкрадывания» определяет полноту охвата контролируемой зоны. В датчиках с такой функцией дополнительная линза обращена вниз.
- Габариты, материал и степень защищенности прибора. Для внутреннего использования защищенность от пыли и влаги, материал корпуса менее значимы, чем для наружного монтажа. Стандартная маркировка включает обозначение IP с двузначным цифровым индексом. Корпус обычно изготавливается из поликарбоната, стойкого к ударам пластика.
Разбираясь, как подключить датчик движения для уменьшения затрат на освещение или повышения безопасности на участке (в помещении), важно учитывать перечисленные характеристики приборов
Схемы сборки
Это можно использовать и в системах сигнализации. Один из вариантов — это использование специального термовыключателя, который будет отключать кофеварку. Это объясняется дешевыми комплектующими, простой схемой сборки, отсутствием дополнительных сложных настроек, широким температурным диапазоном работы. Схемы сборки Микроволновый Для контроля открытых пространств и контроля наличия объектов в нужной зоне, существует емкостное реле.
Схема 3. Все работы ведутся только после снятия общего напряжения В.
Видео 2. Провод МГТФ используется для подключения датчика фторопластовая изоляция.
Подключение проводов делаем следующим образом: провод фазы питающего кабеля подключаем вместе с фазным проводом от датчика коричневый и белый.



Статья по теме: как открыть электролабораторию до 1000v
Параметры, требующие правильной настройки
При установке датчика движения важно правильно настроить его по углу обзора
Точная регулировка датчика движения зависит от корректной настройки самых важных опций. В современных приборах можно улучшить чувствительность и освещенность, угол установки и время задержки. При оптимальных значениях эти параметры дают возможность сэкономить до 50% электроэнергии.
Угол установки
В первую очередь регулируют зону освещения прибора – угол установки. Большинство современных светильников оснащены детекторами, которые закреплены на шарнирах
Угол нужно отрегулировать так, чтобы инфракрасные лучи распространялись на максимально большую площадь, при этом важно учитывать и высоту, на которой расположен датчик
Чувствительность
Чувствительность датчика – второй важный параметр работы
Вторым по важности параметром является чувствительность прибора, настройка которой считается самой сложной. Для регулировки используют специальное колесо на корпусе датчика с диапазоном от минимального до максимального
Параметр настраивают так, чтобы детектор не реагировал на мелких животных, но сразу срабатывал, если обнаружит человека. С этой целью значение устанавливают на максимум, затем ждут выключения фонаря и начинают постепенно снижать его до необходимой отметки.
Освещенность
Регулировать освещенность необходимо, чтобы прибор был настроен на включение света только после наступления сумерек. Во время первичной настройки выставляют максимальное значение параметра и доводят его до нужного значения вечером. Если в детекторе отсутствует регулятор, можно дополнительно подключить к прибору специальный датчик.
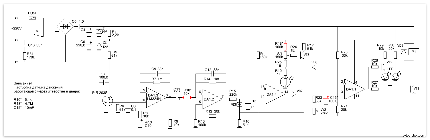
Схема подключения датчика движения для освещения. Датчик движения дд 008 инструкция по применению
Как настроить датчик движения для освещения – инструкция
Когда мы рассказывали о том, как сделать уличное освещение экономичным и в то же время функциональным, то настоятельно рекомендовали вам установить на прожекторы датчик движения. Данное устройство позволит автоматизировать систему подсветки и включать ее не только при наступлении темноты, но и в том случае, если в зоне обнаружения будет зафиксировано движение. Однако далеко не всегда получается выполнить настройку так, как вам хочется, в результате чего сенсор срабатывает при малейшем колебании веток либо когда на улице не слишком темно. Именно поэтому для наших читателей мы подготовили подробную инструкцию, в которой доступно объяснили, как настроить датчик движения для освещения с двумя и тремя регуляторами.
Чем можно регулировать детектор?
В современных датчиках движения (ДД) можно настроить чувствительность, освещенность, время задержки выключения света и угол установки.

Все эти параметры при правильной настройке позволяют сэкономить до 50% электроэнергии, что является весьма значительным показателем. Однако следует сразу же отметить, что не во всех датчиках движения три регулятора. В старых моделях можно отрегулировать только два параметра – время задержки и чувствительность либо время задержки и уровень освещенности, как на фото ниже:
Рекомендуем просмотреть инструкцию, на которой объясняется схема работы детектора:
Обзор сенсора
Сейчас мы по отдельности разберем, как настроить датчик движения на прожекторе либо другом варианте светильника.
Угол установки
Первое что нужно сделать – правильно отрегулировать зону обнаружения ДД. В современных моделях светильников детекторы представлены отдельными элементами, закрепленными на шарнире. Вот его вы как раз и должны настроить таким образом, чтобы инфракрасные лучи были направлены на максимально возможную площадь обнаружения. Тут важную роль играет не только угол установки, но и высота, на которой вы решите подключить датчик движения. Оптимальные и самые неудачные способы установки рассмотрены на схемах ниже:


Чувствительность
Второй параметр, который вы должны настроить – чувствительность, который обозначается на корпусе «SENS». Как правило, для регулировки используется колесико с диапазоном от min (low или -) до max (high или +). Настройка чувствительности датчика движения наиболее сложная. Вы должны отрегулировать параметр таким образом, чтобы детектор не срабатывал на мелких животных, но в то же время включал свет при обнаружении человека. В этом случае рекомендуется сразу же настроить SENS на максимум, подождать пока фонарь выключиться и проверить, как будет срабатывать сенсор.

Постепенно вам нужно будет уменьшать чувствительность до тех пор, пока не найдете «золотую середину»
Обращаем Ваше внимание на то, что если у вас во дворе есть большая собака, выполнить настройку датчика, чтобы он на нее не реагировал, вряд ли получится
Освещенность
Следующая настройка – порог освещенности, обозначенный на корпусе «LUX». Данный параметр необходим для того, чтобы настроить датчик на включение света только при наступлении темноты. К примеру, зачем освещению включаться при обнаружении движения в светлое время суток, все равно это ничего не даст. При первой настройке рекомендуется выставить максимальное значение LUX и при наступлении вечера отрегулировать подходящее время, при котором будет срабатывать сенсор.

Если на Вашем детекторе нет регулятора LUX, то можно дополнительно подключить датчик освещенности. В этом случае получится все равно настроить прожектор, чтобы он включался только ночью.
Время задержки
Ну и последний параметр – задержка включения, обозначенный «TIME». Время настраивать легче всего, диапазон может колебаться от 5 секунд до 10 минут. Тут Вы уже сами должны решить, на какое время лучше в
Как работает инфракрасное устройство?

Инфракрасный прибор контроля движения ещё иначе называют пассивным. Если сравнить грубо, то можно ассоциировать его с термометром. Он срабатывает, когда в зону его действия попадает источник тепла.
Но для работы такого устройства понадобятся ещё дополнительные настройки. Например, вы установили такое инфракрасное устройство, и настроили его на появление взрослого человека. Если в помещение войдёт ребёнок, датчик может не сработать. Температура тела у всех одинаковая, а вот количество тепла, которые изучают взрослый человек и ребёнок, разные. Выставить в этом случае прибор на самый минимум тоже не выход из ситуации, он тогда начнёт реагировать на любую вбегающую в помещение кошку или собаку. В этом и заключается недостаток инфракрасных моделей – им потребуется тщательная ручная настройка. Ещё один минус этого датчика в том, что он ложно срабатывает на приборы обогрева, работающие в помещении.
Но такой датчик обладает и рядом преимуществ:
Подробнее об инфракрасном датчике в этом видео:
Настройки детектора движения
Когда вопрос, как подключить датчик движения своими руками, решен, следует произвести еще одну обязательную процедуру. Как и любое техническое устройство, датчик движения для освещения требует после своей установки произвести настройку для максимально эффективного использования.
Для настройки производители обычно устанавливают на корпусе прибора три регулятора-ручки (или рычажка) с маркировками «TIME», «LUX» и «SENS».
Каждый из регуляторов предназначен для управления одним из параметров детектора движения:
- «TIME» — регулятор времени продолжительности удержания сигнала. Проще говоря, при подключении датчика к прибору освещения это время будет указывать, как долго свет останется включенным после срабатывания детектора. Если до конца этого времени произошла еще одна фиксация движения датчиком, то время начинается отсчитываться заново. Обычно регулятор дает возможность задать диапазон значений от 1 секунды до 10 минут;
- «LUX» — регулирование уровня освещенности, при которой детектор не будет реагировать на движение и подавать сигнал. Используется для предотвращения включения освещения в дневное время, особенно если датчик движения для включения света смонтирован для освещения на улице;
- «SENS» — чувствительность прибора. При помощи регулировки чувствительности добиваются реагирования на нужное воздействие и бездействие при меньших влияниях. Так, правильно настроенный детектор будет включать свет при приближении человека, но не станет реагировать на менее массивную кошку. Расстояние, на котором происходит реагирование, также зависит от чувствительности. При высоком уровне чувствительности повышается процент ложных срабатываний.
Из всего описанного несложно сделать вывод, что подключение датчика движения к системе освещения помещений частного дома или квартиры является очень эффективным и удобным способом улучшить комфорт. Кроме того, внесение такого приспособления в свой дом способно довольно ощутимо сберечь бюджет, снизив потребление электроэнергии, которая не станет расходоваться на освещение комнат, где никого нет.