Особенности монтажа
Как правило, установку теплового реле производят совместно с магнитным пускателем, который и осуществляет коммутацию и запуск электропривода. Однако существуют также и приборы с возможностью установки как отдельное устройство рядом на монтажной панели или DIN рейке, такие как ТРН и РТТ. Все зависит от наличия нужного номинала в ближайшем магазине, складе или в гараже в «стратегических запасах».
Наличие у теплового реле ТРН только двух входящих подключений не должно вас пугать, поскольку фазы три. Неподключенный провод фазы уходит с пускателя на двигатель, минуя реле. Ток в электродвигателе меняется пропорционально во всех трех фазах, поэтому контролировать достаточно любые две из них. Собранная конструкция, пускатель с теплушкой ТРН будет выгладить так:
Или так с РТТ:

Рассмотрим схему из статьи в которой трехфазный двигатель вращается в одну сторону и управление включением осуществляется с одного места двумя кнопками СТОП И ПУСК.

Автомат включен и на верхние клеммы пускателя поступает напряжение. После нажатия на кнопку ПУСК, катушка пускателя А1 и А2 оказывается подключена к сети L2 и L3. В данной схеме используется пускатель с катушкой на 380 вольт, вариант подключения с однофазной катушкой 220 вольт ищите в нашей отдельной статье (ссылка выше).
Катушка включает пускатель и замыкаются дополнительные контакты No(13) и No(14), теперь можно отпустить ПУСК, контактор останется включенным. Данная схема называется «пуск с самоподхватом». Теперь для того чтобы отключить двигатель от сети необходимо обесточить катушку. Проследив по схеме путь тока, видим что это может произойти при нажатии СТОП или размыкании контактов теплового реле (выделен красным прямоугольником).
То есть, при возникновении внештатной ситуации, когда теплушка сработает, она разорвет цепь схемы и снимет пускатель с самоподхвата, обесточив двигатель от сети. При срабатывании данного устройства контроля тока, перед повторным запуском необходимо осмотреть механизм, для выяснения причины возникновения отключения, и не включать до ее устранения. Часто причиной срабатывания является высокая внешняя температура окружающего воздуха, данный момент необходимо учитывать при эксплуатации механизмов и их настройке.
Сфера применения в домашнем хозяйстве тепловых реле не ограничивается только самодельными станками и прочими механизмами. Правильно было бы использовать их в системе контроля тока насоса системы отопления. Специфика работы циркуляционного насоса в том, что на лопастях и улитке образуется известковый налет, который может стать причиной заклинивания мотора и выхода его из строя. Используя приведенные схемы подключения, можно собрать блок контроля и защиты насоса. Достаточно установить в цепи питания нужный номинал теплушки и подключить контакты.
Кроме того будет интересна схема подключения теплового реле через трансформаторы тока, для мощных двигателей, таких как насос системы водополива для дачных поселков или фермерских хозяйств. При установке трансформаторов в цепи питания, учитывается коэффициент трансформации, к примеру 60/5 это при токе через первичную обмотку в 60 ампер, на вторичной обмотке он будет равен 5А. Применение такой схемы позволяет сэкономить на комплектующих, при этом не потеряв в эксплуатационных характеристиках.

Как видно, красным цветом выделены трансформаторы тока, который подключены к реле контроля и амперметру для визуальной наглядности происходящих процессов. Трансформаторы подключены схемой звезда, с одной общей точкой. Такая схема не представляет из себя больших трудностей в реализации, поэтому вы можете самостоятельно ее собрать и подключить к сети.
Напоследок рекомендуем просмотреть видео, в котором наглядно показывается процесс подключения теплового реле к магнитному пускателю для защиты электродвигателя:
Вот и все, что вы должны знать о подключении теплового реле своими руками. Как вы видите, монтаж не представляет особой сложности, главное правильно составить схему подсоединения всех элементов в цепи!
Будет интересно прочитать:
{SOURCE}
Магнитный пускатель
Теперь о том, на что следует обратить внимание, рассматривая сам пускатель перед его подключением
Самое важное – напряжение катушки управления, которое указано либо на ней самой, либо неподалеку. Если надпись гласит 220 В АС (или рядом с 220 стоит значок переменного тока), то для работы схемы управления потребуется фаза и ноль
Если надпись гласит 220 В АС (или рядом с 220 стоит значок переменного тока), то для работы схемы управления потребуется фаза и ноль.
Интересное видео о работе магнитного пускателя смотрите ниже:
Если же это 380 В АС (того же переменного тока), то управлять пускателем будут две фазы. В процессе описания работы схемы управления будет понятно, в чем отличие.
Еще нам потребуется использовать дополнительный контакт пускателя, называемый блок-контактом. У большинства аппаратов он маркируется цифрами 13НО (13NO, просто 13) и 14НО (14NO, 14).
Буквы НО означают «нормально открытый», то есть замыкается он только на притянутом пускателе, что при желании можно проверить мультиметром. Встречаются пускатели, имеющие нормально замкнутые дополнительные контакты, они не годятся для рассматриваемой схемы управления.
У разных производителей их маркировка отличается, но при их определении сложностей не возникает. Итак, крепим пускатель к поверхности или DIN-рейке в месте его постоянной дислокации, прокладываем силовые и контрольные кабели, начинаем подключение. 
Процесс подключения
Ниже приведена схема подключения ТР с обозначениями. На ней можно найти сокращение КК1.1. Оно обозначает контакт, который в нормальном состоянии является замкнутым. Силовые контакты, через которые ток поступает на двигатель обозначены сокращением KK1. Автоматический выключатель, который находится в ТР обозначен как QF1. При его задействовании происходит подача питания по фазам. Фаза 1 управляется отдельной клавишей, которая обозначена маркировкой SB1. Она выполняет аварийную ручную остановку в случае возникновения непредвиденной ситуации. От нее контакту уходит на клавишу, которая обеспечивает пуск и обозначена сокращением SB2. Дополнительный контакт, который отходит от клавиши пуска, находится в дежурном состоянии. Когда выполняется запуск, тогда ток от фазы через контакт поступает на магнитный пускатель через катушку, которая обозначается KM1. Происходит срабатывание пускателя. При этом те контакты, которые в нормальном положении являются разомкнутыми замыкаются и наоборот.

Когда замыкаются контакты, которые на схеме находятся под сокращением KM1, тогда происходит включение трех фаз, которые пускают ток через тепловое реле на обмотки двигателя, который включается в работу. Если сила тока будет расти, тогда из-за воздействия контактных площадок ТР под сокращением KK1 произойдет размыкание трех фаз и пускатель обесточивается, а соответственно останавливается и двигатель. Обычная остановка потребителя в принудительном режиме происходит посредством воздействия на клавишу SB1. Она разрывает первую фазу, которая прекратит подачу напряжения на пускатель и его контакты разомкнутся. Ниже на фото можно увидеть импровизированную схему подключения.

Есть еще одна возможная схема подключения этого ТР. Разница заключается в том, что контакт реле, который в нормальном состоянии является замкнутым при срабатывании разрывает не фазу, а ноль, который уходит на пускатель. Ее применяют чаще всего в силу экономичности при выполнении монтажных работ. В процессе нулевой контакт подводится к ТР, а с другого контакта монтируется перемычка на катушку, которая запускает контактор. При срабатывании защиты происходит размыкание нулевого провода, что приводит к отключению контактора и двигателя.

Реле может быть смонтировано в схему, где предусмотрено реверсивное движение двигателя. От схемы, которая была приведена выше различие заключается в том, что присутствует НЗ контакт, в реле, которое обозначено KK1.1.

Если реле срабатывает, тогда происходит разрыв нулевого провода контактами под обозначением KK1.1. Пускатель обесточивается и прекращает питания двигателя. В экстренной ситуации кнопка SB1 поможет быстро разорвать цепь питания, чтобы остановить двигатель. Видео о подключении ТР можно посмотреть ниже.
Особенности монтажа
Но при этом тепловое реле срабатывает в отличие от магнитного пускателя не по воле человека, а от перегрузки по току асинхронного двигателя. Его также можно без особых проблем задействовать своими руками в схеме управления асинхронным движком. В связи с этим не будет лишним напомнить умельцам о том, что любые работы по присоединению электрических цепей к сети должны начинаться с гарантированного отключения напряжения в месте подключения с последующим контролем этого индикаторной отвёрткой или тестером.
- Чтобы правильно подключить магнитный пускатель и тепловое реле надо вначале определить величину напряжения, на которое они рассчитаны. Его значение указывается как в техническом паспорте, так и на шильдике, расположенном на корпусе устройства.
- Если указано напряжение 220 В устройство необходимо подключать к фазному напряжению, то есть к фазному и нулевому проводам. Если указано напряжение 380 В для подключения используется линейное напряжение, то есть к фазным проводам двух любых фаз.
- Если напряжение не будет соответствовать паспортным данным устройства, возможна, либо его порча от перегрева, либо неправильная работа по причине недостаточно сильного магнитного поля в катушке управления.

Особенностью работы магнитного пускателя является его контакт, который, замыкаясь, шунтирует кнопку включения его управляющей катушки. Это позволяет выполнять коммутацию электрических цепей кратковременным нажатием кнопки «пуск», что удобно и легко для пользователя. При подключении пускателя надо будет присоединять нормально разомкнутый контакт и нормально замкнутый контакт. Их вид в самом устройстве и на электрической схеме показан на изображении. Они используются для управления катушкой пускателя и располагаются в управляющем блоке пускателя. Он называется «кнопочный пост». В нём установлены две кнопки. Каждая из них приводит в действие: одна нормально замкнутый контакт и одна нормально разомкнутый контакт. Кнопки окрашены обычно в чёрный цвет (используется для пуска или реверса), и в красный цвет (используется для остановки двигателя отключением катушки пускателя).
Преимущества реализации такой схемы подключения
- Коммутатор и манипулятор управления (кнопка) могут быть разнесены. То есть, управляющий элемент располагается в непосредственной близости от оператора, а массивный коммутатор можно разместить в любом удобном месте.
- Возможно управление с помощью ножного привода (руки остаются свободными). Это позволяет лучше контролировать электроустановку и удерживать обрабатываемую деталь.
- Схема подключения выносного пускателя позволяет разместить устройства безопасности. Например, защиту от короткого замыкания или тепловые реле, срабатывающие при температурных перегрузках. Кроме того, такая схема позволяет реализовать механическую защиту: при перемещении подвижных частей электроустановки до критической отметки, срабатывает концевой выключатель, и магнитный пускатель размыкается.
- Дистанционное расположение управляющих элементов позволяет расположить аварийную кнопку в удобном месте, что повышает безопасность эксплуатации.
- Есть возможность установить единый кнопочный пост для управления большим количеством магнитных пускателей при расположении электроустановок в разных местах и на большом удалении. Схема подключения через такой пост предполагает использование слаботочной управляющей проводки, что экономит средства на приобретение дорогостоящих силовых кабелей.
- Для управления одним пускателем можно установить несколько кнопочных постов. В таком случае управление электроустановкой с каждого поста будет равнозначным. То есть, можно запустить электродвигатель с одной точки, а выключить с другой. Схема подключения нескольких кнопочных постов на иллюстрации:
- Магнитные контакторы можно интегрировать в электронную систему управления. В этом случае команды на пуск и отключение электроустановок подаются автоматически, по заданному алгоритму. Организовать такую систему с помощью механических (ручных) включателей невозможно.
Фактически, такая коммутация представляет собой релейную схему.
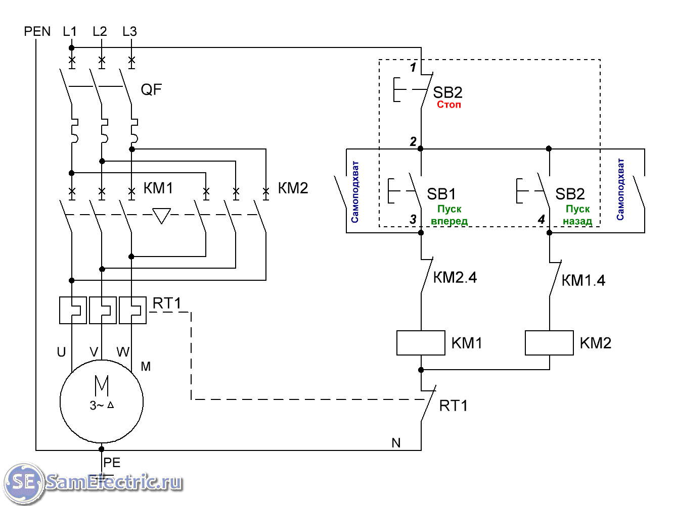
Схема подключения реверсивного магнитного пускателя
Фактически это два магнитных пускателя, объединенные электрически и механически, дальше подробнее.
Реверсивное управление электродвигателем
Реверсивный пускатель нужен тогда, когда необходимо, чтобы двигатель вращался поочередно в обоих направлениях.
Смена направления вращения реализуется общеизвестным способом — меняются местами любые две фазы. Посмотрите на схему реверсивного включения двигателя ниже:

9. Схема подключения реверсивного магнитного пускателя на 220В с управлением от кнопок. ПРАКТИЧЕСКАЯ СХЕМА
Когда включен пускатель КМ1, это будет «правое» вращение. Когда включается КМ2 — первая и третья фазы меняются местами, движок будет крутиться «влево». Включение пускателей КМ1 и КМ2 реализуется разными кнопками «Пуск вперед
» и «Пуск назад
«, выключение — одной, общей кнопкой «Стоп
» , как и в схемах без реверса.
Обратите пристальное внимание на треугольник между силовыми контактами КМ1 и КМ2. Он означает «защиту от дурака»
Может произойти так, что по какой-то причине включатся оба пускателя сразу. Произойдёт короткое замыкание между фазами L1 и L3. Можно сказать, «Ну и что, у нас ведь есть мотор-автомат QF, он нас спасёт!» А если не спасёт? А пока он будет спасать, выгорят контакты пускателей!
Поэтому реверсивный пускатель должен иметь механическую защиту от одновременного включения
двух его половин. А если он состоит из двух отдельных пускателей, между ними ставится специальный механический блокиратор.
Теперь посмотрите на контакты КМ2.4 и КМ1.4, стоящие в цепях питания катушек пускателей. Это — электрическая защита от того же дурака
. Например, если включен КМ1, его НЗ контакт КМ1.4 разомкнут, и если наш дурак будет со всей своей дури жать на обе кнопки «Пуск» сразу, ничего не получится — двигатель будет слушаться той кнопки, которая нажата раньше.
Механическая и электрическая защиты в схеме подключения реверсивного пускателя должны быть всегда, они дополняют друг друга. Не ставить одну либо другую — моветон среди электриков
.
Для реализации электрической блокировки одновременного включения и самоподхвата на каждый пускатель надо, кроме силовых, ещё один НЗ (блокировка) и НО (самоподхват). Но поскольку пятого контакта, как правило, в пускателях нет, приходится ставить доп. контакт. Например, для пускателя типа ПМЛ используют приставку ПКИ. А если, как в схеме 8, используется контроллер, самоподхват не нужен, и достаточно одного НЗ контакта на каждое направление вращения.
здесь .
Что важно знать?
Чтобы не повторятся, и не нагромождать лишний текст, кратко изложу смысл. Токовое реле является обязательным атрибутом системы управления электроприводом. Данное устройство реагирует на ток, который проходит через него на двигатель. Оно не защищает электродвигатель от короткого замыкания, а только оберегает от работы с повышенным током, возникающим при перегрузке или нештатной работе механизма (например, клин, заедание, затирание и прочие непредвиденные моменты).
При выборе теплового реле руководствуются паспортными данными электродвигателя, которые можно взять с таблички на его корпусе, как на фото ниже:
Как видно на бирке, номинальный ток электродвигателя 13.6 / 7.8 Ампера, для напряжений 220 и 380 Вольт. Согласно правилам эксплуатации, тепловое реле необходимо выбирать на 10-20 % больше номинального параметра. От правильного выбора данного критерия зависит способность теплушки вовремя сработать и не допустить порчу электропривода. При расчете тока установки для приведенного на бирке номинала на 7.8 А, у нас получился результат 9.4 Ампера для токовой уставки аппарата.
При выборе в каталоге продукции нужно учесть, что данный номинал не был крайним на шкале регулировки уставки, поэтому желательно подобрать значение ближе к центру регулируемых параметров.К примеру, как на реле РТИ-1314:

Устройство и принцип работы
Термореле (ТР) предназначено для обеспечения защиты электродвигателей от перегрева и преждевременного выхода из строя. При долговременном запуске электродвигатель подвержен токовым перегрузкам, т.к. во время пуска происходит потребление семикратного значения тока, приводящего к нагреву обмоток. Номинальный ток (Iн) — сила тока, потребляемая двигателем при работе. Кроме того, ТР увеличивают срок эксплуатации электрооборудования.
Тепловое реле, устройство которого составляют простейшие элементы:
- Термочувствительный элемент.
- Контакт с самовозвратом.
- Контакты.
- Пружина.
- Биметаллический проводник в виде пластины.
- Кнопка.
- Регулятор тока уставки.
Термочувствительный элемент является датчиком температуры, служащий для передачи тепла на биметаллическую пластину или другой элемент тепловой защиты. Контакт с самовозвратом позволяет при нагреве мгновенно разомкнуть цепь питания электрического потребителя для избежания его перегрева.
Пластина состоит из двух видов металла (биметалл), причем один из них обладает высоким температурным коэффициентом расширения (Kр). Они скреплены между собой при помощи сварки или проката при высоких значениях температуры. При нагреве изгибается пластина тепловой защиты в сторону материала с меньшим Kр, а после остывания пластина принимает исходное положение. В основном пластины изготавливаются из инвара (меньшее значение Kр) и немагнитной или хромоникелевой стали (больший Kр).
Кнопка включает ТР, регулятор тока уставки необходим для установки оптимального значения I для потребителя, причем его превышение приведет к срабатыванию ТР.
Принцип действия ТР основан на законе Джоуля-Ленца. Ток представляет собой направленное движение заряженных частиц, которые сталкиваются с атомами кристаллической решетки проводника (эта величина является сопротивление и обозначается R). Это взаимодействие вызывает появление тепловой энергии, получаемой из электрической. Зависимость длительности протекания от температуры проводника определяется по закону Джоуля-Ленца.
Формулировка этого закона следующая: при прохождении I по проводнику количество теплоты Q, выделяемой током, при взаимодействии с атомами кристаллической решетки проводника прямо пропорционально квадрату I, величине R проводника и времени воздействия тока на проводник. Математически можно записать следующим образом: Q = a * I * I * R * t, где a — коэффициент преобразования, I — ток, протекающий через искомый проводник, R — величина сопротивления и t — время протекания I.
При коэффициенте a = 1 результат расчета измеряется в джоулях, а при условии, что a = 0.24, результат измеряется в калориях.
Нагрев биметаллического материала происходит двумя способами. При первом случае I проходит через биметалл, а во втором — через обмотку. Изоляция обмотки замедляет поток тепловой энергии. Термореле нагревается сильнее при высоких значениях I, чем при контакте с термочувствительным элементом. Происходит задержка сигнала срабатывания контактов. В современных моделях ТР используются оба принципа.
Нагрев биметаллической пластины теплового устройства защиты производится при подключенной нагрузке. Комбинированный нагрев позволяет получить устройство с оптимальными характеристиками. Пластина нагревается при помощи тепла, выделяемого I при прохождении через нее, и специальным нагревателем при I нагрузки. Во время нагрева биметаллическая пластина деформируется и воздействует на контакт с самовозвратом.
Watch this video on YouTube
1.Принцип действия тепловых реле.
Тепловые
реле
—
это электрические аппараты, предназначенные
для защиты электродвигателей от токовой
перегрузки. Наиболее распространенные
типы тепловых реле — ТРП, ТРН, РТЛ и РТТ.
Принцип действия тепловых реле основан
на свойствах биметаллической пластины
изменять свою форму при нагревании. В
общем случае тепловое реле представляет
собой расцепитель, в основе которого
лежит биметаллическая пластина, по
которой протекает ток. Под воздействием
теплового эффекта протекающего тока,
биметаллическая пластина изгибается,
разрывая цепи. При этом происходит
изменение состояния дополнительных
контактов. Первая и основная функция
тепловых реле — защита электрооборудования
от перегрузки.
Рис.1.Тепловое
реле
.
Долговечность
энергетического оборудования в
значительной степени зависит от
перегрузок, которым оно подвергается
во время работы. Для любого объекта
можно найти зависимость длительности
протекания тока от его величины, при
которых обеспечивается надежная и
длительная эксплуатация оборудования.
Эта зависимость представлена на рисунке
2 (кривая 1).
Рис.2.
Зависимость длительности протекания
тока от его величины.
При
номинальном токе допустимая длительность
его протекания равна бесконечности.
Протекание тока, большего, чем номинальный,
приводит к дополнительному повышению
температуры и дополнительному старению
изоляции. Поэтому чем больше перегрузка,
тем кратковременнее она допустима.
Кривая 1 на рисунке устанавливается
исходя из требуемой продолжительности
жизни оборудования. Чем короче его
жизнь, тем большие перегрузки допустимы.
При идеальной защите объекта зависимость
t
ср
(I) для реле должна идти немного ниже
кривой для объекта. Для защиты от
перегрузок, наиболее широкое распространение
получили тепловые реле с биметаллической
пластиной. Биметаллическая пластина
теплового реле состоит из двух пластин,
одна из которых имеет больший температурный
коэффициент расширения, другая —
меньший. В месте прилегания друг к другу
пластины жестко скреплены либо за счет
проката в горячем состоянии, либо за
счет сварки. Если закрепить неподвижно
такую пластину и нагреть, то произойдет
изгиб пластины в сторону материала с
меньшим. Именно это явление используется
в тепловых реле. Широкое распространение
в тепловых реле получили материалы
инвар (малое значение a) и немагнитная
или хромоникелевая сталь (большое
значение a). Нагрев биметаллического
элемента теплового реле может производиться
за счет тепла, выделяемого в пластине
током нагрузки. Очень часто нагрев
биметалла производится от специального
нагревателя, по которому протекает ток
нагрузки. Лучшие характеристики
получаются при комбинированном нагреве,
когда пластина нагревается и за счет
тепла, выделяемого током, проходящим
через биметалл, и за счет тепла, выделяемого
специальным нагревателем, также
обтекаемым током нагрузки. Прогибаясь,
биметаллическая пластина своим свободным
концом воздействует на контактную
систему теплового реле.
Как выбрать тепловое реле
Двигателю необходимо реле для защиты, когда по технологическим причинам существует потенциальная угроза его перегруженности. Второй случай — необходимость ограничения времени запуска в условиях пониженного напряжения.
Эти требования содержатся в соответствующей инструкции. В которой изложено пожелание об оснащении защитного изделия выдержкой по времени. Реализуют все это при помощи тепловых реле.
Базовые характеристики приспособлений
Базовыми данными устройства, защищающего двигатель, являются:
- Быстродействие контактов в зависимости от параметров тока — время-токовый показатель.
- Рабочий ток, при котором ТП срабатывает.
- Предельные токовые регулировки уставки. Во всех приборах, выпускаемых разными производителями, этот параметр отличается незначительно. Превышение номинала на 20% влечет за собой срабатывание прибора минут через 25.
- Номинальная величина тока рабочей биметаллической пластины. Имеется в виду значение, при превышении которого реле не отключается немедленно.
- Токовый диапазон, в котором срабатывает реле.
Сведения о тепловом реле можно получить, расшифровав его маркировку. Символ, обозначающий тип исполнения, может отличаться.
Места размещения отечественных ТП регламентированы ГОСТом 15150. На их работу оказывают влияние такие моменты, как высота подъема над уровнем моря, вибрация, удары, ускорения.
Все эти нюансы производители отражают в маркировке своих изделий. Некоторые из них дополнительно включают сведения о возможности работы при наличии вредных веществ и взрывоопасных газов.
Выбор устройства по правилам
Требования к термореле изложены в инструкции. Здесь же оговорено, что защита должна обладать выдержкой по времени. Реализуют все запросы при помощи специальных приборов.
Анализируя времятоковые характеристики ТР, нужно принимать во внимание, что срабатывание может происходить из перегретого или холодного состояния. Безупречная защита предполагает, что кривая, изображающая оптимальную для беспроблемного функционирования оборудования зависимость продолжительности токопрохождения от величины тока для реле и двигателя, разные
Первая должна находиться ниже, чем вторая
Безупречная защита предполагает, что кривая, изображающая оптимальную для беспроблемного функционирования оборудования зависимость продолжительности токопрохождения от величины тока для реле и двигателя, разные. Первая должна находиться ниже, чем вторая.
Правильный подбор защитного изделия осуществляется на основе такого параметра, как рабочий номинальный ток. Его значение связано с номинальным током нагрузки электродвигателя.
Как международными, так и отечественными стандартами предусмотрено, что номинальный ток двигателя аналогичен уставке тока срабатывания термореле.
Это значит, что включение в работу прибора происходит при перегрузке от 20 до 30% или при Iср.х1,2 или 1,3 не позже 20 минут.
Исходя из этого, выбор нужно осуществлять так, чтобы ток несрабатывания ТР превышал номинальный ток прикрываемого объекта в среднем на 12%. Величина In отображена в паспорте прибора и на табличке, закрепленной на корпусе.
Основываясь на ней, подбирают как ТР, так и пускатель, соответствующий ему. Шкала реле калибрована в амперах и, как правило, отвечает значению тока уставки.
В качестве примера можно привести подбор теплового реле для асинхронного двигателя, подключенного к сети 380 В, мощностью 1,5 кВт.
Рабочий номинальный ток для него — 2,8 А, значит, для теплового реле пороговый ток будет равен: 1,2*2,8 = 3,36 А. По таблице выбор нужно остановить на РТЛ-1008, у которого диапазон регулировки находится в пределах от 2,4 до 4 А.
Когда паспортные данные двигателя неизвестны, ток определяют путем использования специальных приборов — токоизмерительных клещей или мультиметра с соответствующей опцией. Измерения проводят на каждой из фаз.
Важно при выборе уделить внимание напряжению, указанному на приборе. Если запланировано использовать тандем ТР-пускатель, нужно учесть число контактов
При включении устройства в трехфазную сеть необходим модуль, имеющий функцию защиты для случаев перегорания проводников или перекоса фаз.
Заключение
Все электромонтажные работы по подключению реле и прочего высоковольтного оборудования должен выполнять квалифицированный специалист, имеющий допуск и профильное образование. Самостоятельное проведение подобных работ сопряжено с опасностью для жизни и работоспособности электрических устройств. Если же все-таки необходимо разобраться с тем, как подключить реле, при его покупке нужно требовать распечатку схемы, которая обычно идет в комплекте с изделием.
Долговечность и надежность в эксплуатации любой установки с электрическим двигателем зависит от различных факторов. Однако в значительной мере на срок службы мотора влияют токовые перегрузки. Чтобы их предупредить подключают тепловое реле, защищающее основной рабочий орган электромашины.
Мы расскажем, как подобрать устройство, предсказывающее назревание аварийных ситуаций с превышением максимально допустимых показателей тока. В представленной нами статье описан принцип действия, приведены разновидности и их характеристики. Даны советы по подключению и грамотной настройке.